| 查看: 1608 | 回复: 16 | ||
[交流]
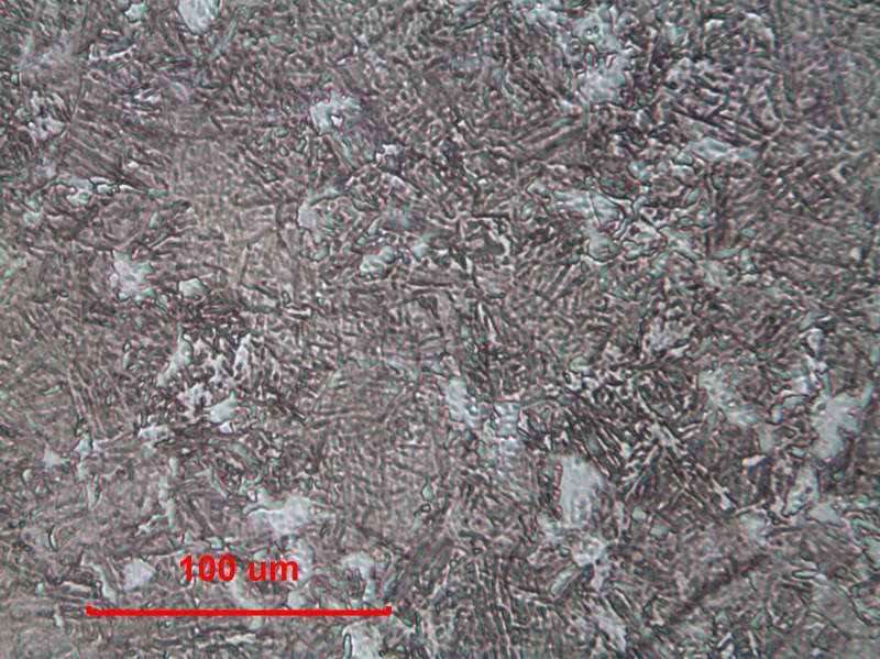
[求助]急!!!显微镜下300M 的微观结构分析 201603已有10人参与
|
christyheng
新虫 (正式写手)
- 应助: 6 (幼儿园)
- 金币: 2435.9
- 散金: 80
- 红花: 6
- 帖子: 639
- 在线: 109.2小时
- 虫号: 4015387
- 注册: 2015-08-10
- 专业: 金属材料的力学行为
2楼2016-03-27 07:24:40
3楼2016-03-28 19:57:46
leaverchan
新虫 (初入文坛)
![]() |
4楼2016-03-29 04:56:10
hyg-letter
木虫 (小有名气)
- 应助: 2 (幼儿园)
- 金币: 1714.8
- 散金: 50
- 红花: 4
- 帖子: 243
- 在线: 145.3小时
- 虫号: 741188
- 注册: 2009-04-06
- 性别: GG
- 专业: 金属结构材料
5楼2016-03-31 16:30:06
| 谢谢分享 |
6楼2016-03-31 23:36:55
7楼2016-03-31 23:40:59
niuboyu
金虫 (初入文坛)
- 应助: 0 (幼儿园)
- 金币: 1018.6
- 帖子: 42
- 在线: 11.1小时
- 虫号: 1030651
- 注册: 2010-05-28
- 性别: GG
- 专业: 水泥与耐火材料
8楼2016-03-31 23:58:09
9楼2016-04-02 02:02:08
10楼2016-04-02 02:03:25













回复此楼
