| 查看: 2591 | 回复: 10 | ||
[求助]
TC4钛合金意外情况 已有2人参与
|
||
yangjie6532
金虫 (小有名气)
- 应助: 1 (幼儿园)
- 金币: 1107.8
- 红花: 1
- 帖子: 55
- 在线: 24小时
- 虫号: 1400731
- 注册: 2011-09-13
- 专业: 金属结构材料
7楼2016-03-27 09:07:15
9楼2016-03-28 10:09:55
|
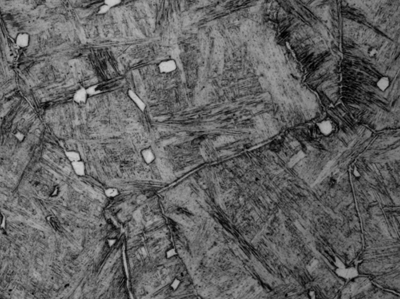
第一,在1020℃的保温时间是否够长,保证材料内外均能够完全相变。第二材料中是否引入一些杂质元素,譬如氧元素,为α稳定元素,实际的相变点要高于992℃。 发自小木虫Android客户端 |
10楼2016-03-28 11:51:57
2楼2016-03-24 21:35:43
keven_csu
木虫 (著名写手)
- 应助: 2 (幼儿园)
- 金币: 14943.6
- 帖子: 1136
- 在线: 51.8小时
- 虫号: 905148
- 注册: 2009-11-17
- 性别: GG
- 专业: 金属结构材料

3楼2016-03-24 22:02:13
keven_csu
木虫 (著名写手)
- 应助: 2 (幼儿园)
- 金币: 14943.6
- 帖子: 1136
- 在线: 51.8小时
- 虫号: 905148
- 注册: 2009-11-17
- 性别: GG
- 专业: 金属结构材料
|
另外,相变点硬应该理解为是一个范围,而不是一个点,tc4的相变点范围是990-1000度,因此你从1020度空冷就难免会存在一些初生啊尔法相。或者说你再提高温度,比如1100度冷却可能就没有啊尔法相了。个人观点,仅供参考 发自小木虫Android客户端 |

4楼2016-03-24 22:09:29
5楼2016-03-25 09:01:58
6楼2016-03-25 09:04:48
8楼2016-03-27 14:53:37














回复此楼