| ²é¿´: 1017 | »Ø¸´: 2 | |
·è¿ñµÄÐÄ123гæ (СÓÐÃûÆø)
|
[ÇóÖú]
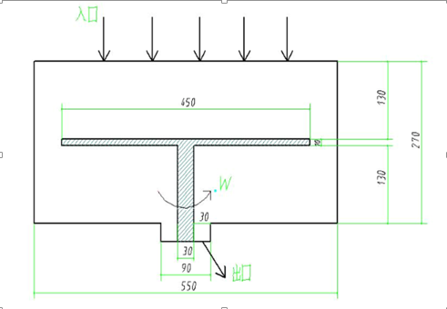
ÇóÖúÀàËÆÈýά½Á°èÆ÷Íø¸ñ»®·Ö ÒÑÓÐ1È˲ÎÓë
|
|
|
|
É¢ÂþÊØÍûÒø³æ (ÕýʽдÊÖ)
|
|
|
2Â¥2016-03-22 17:08:14
|
|
haoshuai641ľ³æ (ÕýʽдÊÖ)
|
|
![]() |
|
|
3Â¥2016-03-22 22:54:50
|
|














»Ø¸´´ËÂ¥
