| ²é¿´: 1062 | »Ø¸´: 7 | ||
pcdhackerгæ (СÓÐÃûÆø)
|
[ÇóÖú]
Çó´óÉñ°ïæ×öÒ»¸ösimulinkµÃ·ÂÕæ ¼±Çó ÒÑÓÐ2È˲ÎÓë
|
|
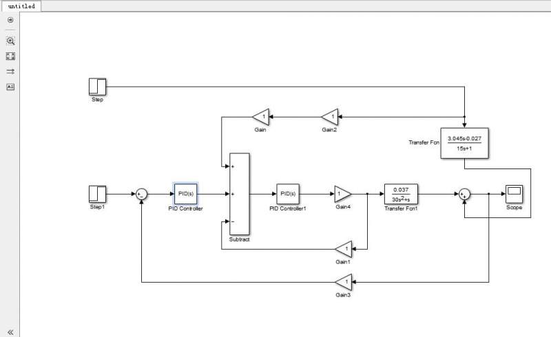
ÏÂͼÊÇÒ»¸öʾÒâͼ Çó´óÉñ°ïæÔÚsimulinkÖÐÓÃÄǸö¿òͼ×ö³öÀ´¡£ ²»Ê¤¸Ðл£¡ ÒòΪÊÇÐÂÊÖ ¿´ÁËд×ÊÁÏ»¹ÊDz»Ì«»á£¬ÎÒÓõÄÊÇ2015°æ±¾µÄ¡£ ÕâÊÇÆû°üˮλÈý³åÁ¿¿ØÖÆ¡£ |
» ²ÂÄãϲ»¶
Çóµ÷¼Á
ÒѾÓÐ4È˻ظ´
070300»¯Ñ§Çóµ÷¼Á
ÒѾÓÐ11È˻ظ´
±§Ç¸
ÒѾÓÐ5È˻ظ´
»·¾³285·Ö£¬¹ýÁù¼¶£¬Çóµ÷¼Á
ÒѾÓÐ9È˻ظ´
Çó²ÄÁϵ÷¼Á£¬Ò»Ö¾Ô¸Ö£ÖÝ´óѧ289·Ö
ÒѾÓÐ11È˻ظ´
»¯Ñ§µ÷¼Á
ÒѾÓÐ9È˻ظ´
303Çóµ÷¼Á
ÒѾÓÐ4È˻ظ´
»¯¹¤µ÷¼Á303·Ö£¬¹ýËļ¶
ÒѾÓÐ25È˻ظ´
081200-11408-276ѧ˶Çóµ÷¼Á
ÒѾÓÐ6È˻ظ´
298·Ö 070300Çóµ÷¼Á
ÒѾÓÐ11È˻ظ´
» ±¾Ö÷ÌâÏà¹Ø¼ÛÖµÌùÍÆ¼ö£¬¶ÔÄúͬÑùÓаïÖú:
R-Si-OH »¯ºÏÎïµÄXRDͼÏñ£¬ÇëÎÊÄܵóöʲôÐÅÏ¢¡£
ÒѾÓÐ4È˻ظ´
¸÷λ»¯Ñ§Àà´óÉñÇó½øÀ´¿´¿´£¬Ò»¸öÃ²ËÆÊÇÃÜÂëµÄÎÊÌâ
ÒѾÓÐ5È˻ظ´
ƦƦÓã
гæ (СÓÐÃûÆø)
- Ó¦Öú: 3 (Ó×¶ùÔ°)
- ½ð±Ò: 595.5
- ºì»¨: 5
- Ìû×Ó: 74
- ÔÚÏß: 46.6Сʱ
- ³æºÅ: 1735291
- ×¢²á: 2012-04-04
- רҵ: ÈÈÎïÐÔÓëÈÈÎïÀí²âÊÔ¼¼Êõ
2Â¥2016-02-24 15:47:49
Îĵ¶ÐÇ
ľ³æ (СÓÐÃûÆø)
- Ó¦Öú: 13 (СѧÉú)
- ½ð±Ò: 3651.2
- É¢½ð: 500
- ºì»¨: 5
- Ìû×Ó: 60
- ÔÚÏß: 100.9Сʱ
- ³æºÅ: 3693767
- ×¢²á: 2015-02-22
- ÐÔ±ð: GG
- רҵ: µ¼º½¡¢ÖƵ¼Óë´«¸Ð¼¼Êõ
¡¾´ð°¸¡¿Ó¦Öú»ØÌû
¸Ðл²ÎÓ룬ӦÖúÖ¸Êý +1
3Â¥2016-02-24 19:01:46
mln5431
ͳæ (³õÈëÎÄ̳)
- Ó¦Öú: 1 (Ó×¶ùÔ°)
- ½ð±Ò: 112.5
- Ìû×Ó: 16
- ÔÚÏß: 20.1Сʱ
- ³æºÅ: 3556089
- ×¢²á: 2014-11-24
- ÐÔ±ð: GG
- רҵ: ¿ØÖÆÀíÂÛÓë·½·¨

4Â¥2016-02-24 20:04:16
mln5431
ͳæ (³õÈëÎÄ̳)
- Ó¦Öú: 1 (Ó×¶ùÔ°)
- ½ð±Ò: 112.5
- Ìû×Ó: 16
- ÔÚÏß: 20.1Сʱ
- ³æºÅ: 3556089
- ×¢²á: 2014-11-24
- ÐÔ±ð: GG
- רҵ: ¿ØÖÆÀíÂÛÓë·½·¨

5Â¥2016-02-24 22:10:15
mln5431
ͳæ (³õÈëÎÄ̳)
- Ó¦Öú: 1 (Ó×¶ùÔ°)
- ½ð±Ò: 112.5
- Ìû×Ó: 16
- ÔÚÏß: 20.1Сʱ
- ³æºÅ: 3556089
- ×¢²á: 2014-11-24
- ÐÔ±ð: GG
- רҵ: ¿ØÖÆÀíÂÛÓë·½·¨
¡¾´ð°¸¡¿Ó¦Öú»ØÌû
ͻȻÎļþÓÖ¿ÉÒÔ´«ÉÏÀ´ÁË £¬°ÑPID²ÎÊýÌîºÃÓ¦¸Ã¾Í¿ÉÒÔÁË |
» ±¾Ìû¸½¼þ×ÊÔ´Áбí
-
»¶Ó¼à¶½ºÍ·´À¡£ºÐ¡Ä¾³æ½öÌṩ½»Á÷ƽ̨£¬²»¶Ô¸ÃÄÚÈݸºÔð¡£
±¾ÄÚÈÝÓÉÓû§×ÔÖ÷·¢²¼£¬Èç¹ûÆäÄÚÈÝÉæ¼°µ½ÖªÊ¶²úȨÎÊÌ⣬ÆäÔðÈÎÔÚÓÚÓû§±¾ÈË£¬Èç¶Ô°æÈ¨ÓÐÒìÒ飬ÇëÁªÏµÓÊÏ䣺xiaomuchong@tal.com - ¸½¼þ 1 : qibaoshui.mdl
2016-02-24 22:37:47, 23.22 K

6Â¥2016-02-24 22:40:46
pcdhacker
гæ (СÓÐÃûÆø)
- Ó¦Öú: 0 (Ó×¶ùÔ°)
- ½ð±Ò: 554.2
- Ìû×Ó: 101
- ÔÚÏß: 7.3Сʱ
- ³æºÅ: 4275559
- ×¢²á: 2015-12-08
- רҵ: ¿ØÖÆÀíÂÛÓë·½·¨
7Â¥2016-02-24 22:54:58
pcdhacker
гæ (СÓÐÃûÆø)
- Ó¦Öú: 0 (Ó×¶ùÔ°)
- ½ð±Ò: 554.2
- Ìû×Ó: 101
- ÔÚÏß: 7.3Сʱ
- ³æºÅ: 4275559
- ×¢²á: 2015-12-08
- רҵ: ¿ØÖÆÀíÂÛÓë·½·¨
8Â¥2016-02-24 22:55:41














»Ø¸´´ËÂ¥
£¬