| 查看: 1092 | 回复: 6 | |||
[交流]
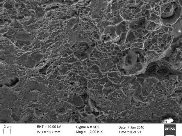
TC17钛合金板状拉伸断口,不知道怎么分析啊
|
|
TC17钛合金板状拉伸断口,试样厚度2.39mm,宽度20mm。高倍的SEM图片上韧窝高高低低深深浅浅的,看不懂啊。这个组织不是等轴晶,而是贝塔大晶粒内转变为细小的针状组织。 3.JPG 1.JPG 2.JPG |
» 猜你喜欢
求26年博导/本人机械,增材制造专业
已经有0人回复
美国科罗拉多ASME SHTC2025参会经验分享
已经有0人回复
机械工程论文润色/翻译怎么收费?
已经有127人回复
老男孩计划2026年读博申请
已经有3人回复
英国伯明翰大学招收计算流体力学博士研究生
已经有0人回复
英国伯明翰大学招收计算流体力学和气动声学博士研究生
已经有0人回复
SCI付款失败,付款按键消失,只显示Payment Fail
已经有1人回复
旋转定位精度不稳?从机械结构源头剖析实验台的精度瓶颈
已经有1人回复
【讨论】实验设备旋转平台选型:蜗轮蜗杆、回转支撑还是凸轮滚子?
已经有0人回复
反应机理求助,帮忙画一下这个反应的反应机理
已经有0人回复


2楼2016-01-08 22:47:57

3楼2016-01-10 21:02:41

4楼2016-01-10 23:09:45

5楼2016-02-27 23:22:13
6楼2016-02-28 15:05:41
7楼2016-03-20 09:41:06













回复此楼