| 查看: 794 | 回复: 0 | ||
[交流]
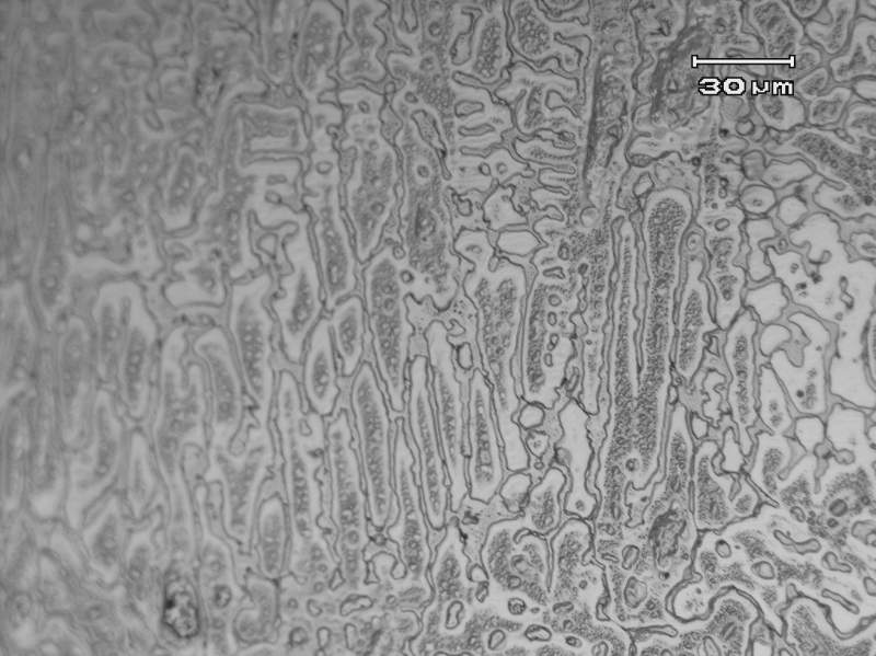
这张图腐蚀的如何,Ni20镍基合金,王水腐蚀30s
|

| 1 | 1/1 | 返回列表 |
| 查看: 794 | 回复: 0 | ||
[交流]
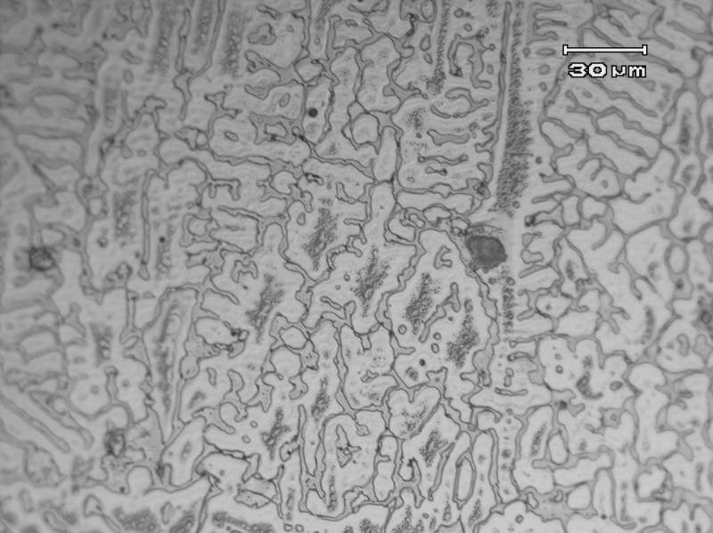
这张图腐蚀的如何,Ni20镍基合金,王水腐蚀30s
|

| 1 | 1/1 | 返回列表 |
| 最具人气热帖推荐 [查看全部] | 作者 | 回/看 | 最后发表 | |
|---|---|---|---|---|
|
[考研] 北科281学硕材料求调剂 +8 | tcxiaoxx 2026-03-20 | 8/400 |
|
|---|---|---|---|---|
|
[考研] 276求调剂 +3 | YNRYG 2026-03-21 | 4/200 |
|
|
[考研] 一志愿中南大学化学学硕0703总分337求调剂 +4 | niko- 2026-03-22 | 4/200 |
|
|
[考研] 一志愿西安交通大学材料工程专业 282分求调剂 +11 | 枫桥ZL 2026-03-18 | 13/650 |
|
|
[考研] 0856材料专硕353求调剂 +4 | NIFFFfff 2026-03-20 | 4/200 |
|
|
[考研] 求调剂 +3 | 13341 2026-03-20 | 3/150 |
|
|
[考研] 311求调剂 +3 | 勇敢的小吴 2026-03-20 | 3/150 |
|
|
[考研] 一志愿重庆大学085700资源与环境总分308求调剂 +7 | 墨墨漠 2026-03-20 | 7/350 |
|
|
[考研] 一志愿中国石油大学(华东) 本科齐鲁工业大学 +3 | 石能伟 2026-03-17 | 3/150 |
|
|
[考研] 085700资源与环境308求调剂 +12 | 墨墨漠 2026-03-18 | 13/650 |
|
|
[考研] 南京大学化学376求调剂 +3 | hisfailed 2026-03-19 | 6/300 |
|
|
[考研] 321求调剂 +9 | 何润采123 2026-03-18 | 11/550 |
|
|
[考研] 一志愿中海洋材料工程专硕330分求调剂 +8 | 小材化本科 2026-03-18 | 8/400 |
|
|
[考研] 0817 化学工程 299分求调剂 有科研经历 有二区文章 +22 | rare12345 2026-03-18 | 22/1100 |
|
|
[考研] 材料学硕318求调剂 +5 | February_Feb 2026-03-19 | 5/250 |
|
|
[考研] 085601材料工程专硕求调剂 +10 | 慕寒mio 2026-03-16 | 10/500 |
|
|
[考研] 085601专硕,总分342求调剂,地区不限 +5 | share_joy 2026-03-16 | 5/250 |
|
|
[考研] 085601求调剂 +4 | Du.11 2026-03-16 | 4/200 |
|
|
[考研] 一志愿苏州大学材料工程(085601)专硕有科研经历三项国奖两个实用型专利一项省级立项 +6 | 大火山小火山 2026-03-16 | 8/400 |
|
|
[考研] 283求调剂 +3 | 听风就是雨; 2026-03-16 | 3/150 |
|