| ²é¿´: 1692 | »Ø¸´: 4 | ||
wendy~~ͳæ (СÓÐÃûÆø)
|
[ÇóÖú]
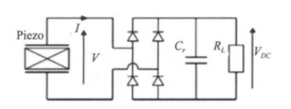
×öѹµçÄÜÁ¿ÊÕ¼¯£¬¸ÃÈçºÎÑ¡ÔñÈ«ÇÅÕûÁ÷µÄ¹æ¸ñ ÒÑÓÐ2È˲ÎÓë
|
|
|
|
||
jamekingÌú¸Ëľ³æ (ÖøÃûдÊÖ)
|
¡¾´ð°¸¡¿Ó¦Öú»ØÌû
|
|
|
2Â¥2016-01-10 23:56:55
|
|
|
¶ÙÎòͳæ (³õÈëÎÄ̳)
|
¡¾´ð°¸¡¿Ó¦Öú»ØÌû
|
|
|
3Â¥2016-11-02 16:30:19
|
|
|
FZF66гæ (³õÈëÎÄ̳)
|
||
|
4Â¥2017-01-03 16:21:08
|
|
|
butchergkfͳæ (³õÈëÎÄ̳)
|
||
|
5Â¥2017-09-18 15:14:44
|
|














»Ø¸´´ËÂ¥
Çë²»ÁߴͽÌ