| 查看: 1649 | 回复: 2 | |
[求助]
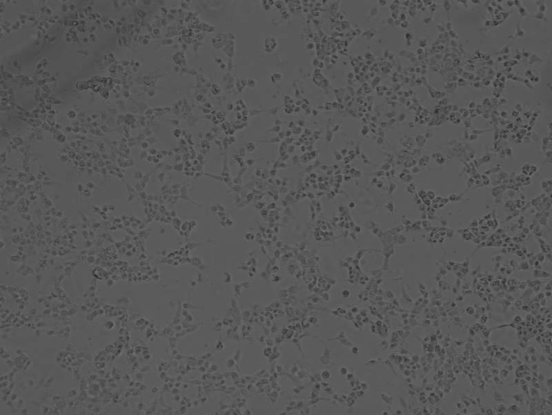
六孔板内细胞转染后莫名其妙成片死亡,与正常细胞界限明显。 已有1人参与
|
|
![]() |
|
|
|
|
yyy0305至尊木虫 (著名写手)
|
|
|
2楼2015-12-18 19:00:20
|
|
yaya08铁杆木虫 (正式写手)
|
|
|
3楼2018-11-04 12:17:43
|
|













回复此楼
10