| 查看: 1858 | 回复: 7 | ||
[求助]
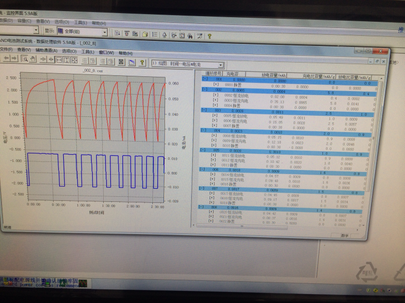
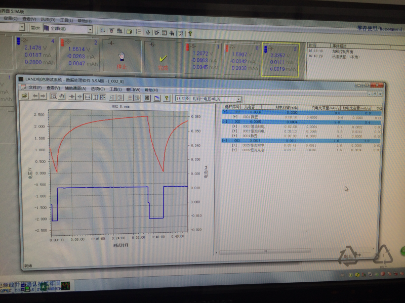
恒流充放电图 已有1人参与
|
|
哪位大神能帮忙看下,这些图是由什么造成的,本人初学,不知道该从哪分析,请大神帮忙,还有问下使用不同溶剂的电解液,对电池的性能有什么影响?s 发自小木虫IOS客户端 |
» 猜你喜欢
化学-化工-材料-食品-生物-环境2026年研究生调剂(可以不考数学)
已经有0人回复
化学-化工-材料-食品-生物-环境-农业 2026年研究生调剂(可以不考数学)
已经有1人回复
物理化学论文润色/翻译怎么收费?
已经有210人回复
070300一志愿211,312分求调剂院校
已经有12人回复
26年储能、电池方向博士申请
已经有0人回复
070300化学求调剂
已经有12人回复
青岛大学化学化工学院2026年招收调剂硕士研究生
已经有0人回复
北方工业大学085808储能技术-02方向(电池)接收调剂生
已经有0人回复
272求调剂,接受跨专业调剂!
已经有3人回复
有一区TOP论文,求调剂
已经有20人回复
大连工业大学杰青/长江团队-生物质材料-储能电池方向招收2026级博士生
已经有7人回复
2楼2015-11-10 09:17:51

3楼2015-11-10 10:20:30
4楼2015-11-10 20:47:57

5楼2015-11-10 21:45:07
6楼2015-11-11 20:20:34
7楼2015-11-11 20:22:36
8楼2015-11-11 20:25:35














回复此楼