| ²é¿´: 1459 | »Ø¸´: 11 | ||
ivan0106ľ³æ (СÓÐÃûÆø)
|
[ÇóÖú]
º¸·ì×éÖ¯·ÖÎö ÒÑÓÐ3È˲ÎÓë
|
|
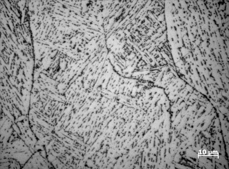
Çó¸÷λ°ïæ¿´¿´ÏÂÃæµÄ×éÖ¯ÊÇʲô?±³¾°ÊǹÜÏ߸ֺ¸·ìµÄ£¬ÓжԹÜÏ߸Ö×éÖ¯Ñо¿½Ï¶àµÄͬѧ»¹Çë²»Áߴͽ̰¡£¬ÓÊÏäivan_0106@163.com 0015.jpg 0007.jpg |
» ²ÂÄãϲ»¶
²ÄÁÏÓ뻯¹¤¿¼Ñе÷¼Á
ÒѾÓÐ13È˻ظ´
Ò»Ö¾Ô¸211ԺУ 344·Ö ¶«±±Å©Òµ´óѧÉúÎïѧѧ˶£¬Çóµ÷¼Á
ÒѾÓÐ5È˻ظ´
Ò»Ö¾Ô¸±±¾©»¯¹¤´óѧ²ÄÁÏÓ뻯¹¤ 264·Ö¸÷¿Æ¹ýAÇø¹ú¼ÒÏß
ÒѾÓÐ7È˻ظ´
275Çóµ÷¼Á
ÒѾÓÐ12È˻ظ´
²ÄÁÏÓ뻯¹¤085600£¬×Ü·Ö304£¬±¾¿ÆÓÐÁ½Æªsci²ÎÓ룬Çóµ÷¼Á
ÒѾÓÐ7È˻ظ´
0856²ÄÁÏ»¯¹¤µ÷¼Á ×Ü·Ö330
ÒѾÓÐ4È˻ظ´
308Çóµ÷¼Á
ÒѾÓÐ6È˻ظ´
Ò»Ö¾Ô¸ÉÂʦ´óÉúÎïѧ071000£¬298·Ö£¬Çóµ÷¼Á
ÒѾÓÐ5È˻ظ´
0856²ÄÁÏר˶353Çóµ÷¼Á
ÒѾÓÐ8È˻ظ´
Äϲý´óѧ²ÄÁÏר˶311·ÖÇóµ÷¼Á
ÒѾÓÐ9È˻ظ´
christyheng
гæ (ÕýʽдÊÖ)
- Ó¦Öú: 6 (Ó×¶ùÔ°)
- ½ð±Ò: 2435.9
- É¢½ð: 80
- ºì»¨: 6
- Ìû×Ó: 639
- ÔÚÏß: 109.2Сʱ
- ³æºÅ: 4015387
- ×¢²á: 2015-08-10
- רҵ: ½ðÊô²ÄÁϵÄÁ¦Ñ§ÐÐΪ
2Â¥2015-11-06 17:55:00
»ÃÀ¶ÃÎÝÓ
ľ³æ (ÕýʽдÊÖ)
- Ó¦Öú: 2 (Ó×¶ùÔ°)
- ½ð±Ò: 2752.2
- É¢½ð: 9
- ºì»¨: 4
- Ìû×Ó: 748
- ÔÚÏß: 132.4Сʱ
- ³æºÅ: 3294272
- ×¢²á: 2014-06-26
- רҵ: ÖÆÔìϵͳÓë×Ô¶¯»¯
3Â¥2015-11-07 08:22:09
rat0902
ľ³æ (СÓÐÃûÆø)
- MM-EPI: 1
- Ó¦Öú: 1 (Ó×¶ùÔ°)
- ½ð±Ò: 3164.9
- É¢½ð: 105
- ºì»¨: 23
- Ìû×Ó: 276
- ÔÚÏß: 107.2Сʱ
- ³æºÅ: 1433041
- ×¢²á: 2011-10-09
- רҵ: ½ðÊô½á¹¹²ÄÁÏ
4Â¥2015-11-07 10:23:05
ÎâÒàȪ
ͳæ (ÖøÃûдÊÖ)
- Ó¦Öú: 0 (Ó×¶ùÔ°)
- ½ð±Ò: 802.3
- ºì»¨: 2
- Ìû×Ó: 1087
- ÔÚÏß: 72Сʱ
- ³æºÅ: 1946330
- ×¢²á: 2012-08-19
- ÐÔ±ð: GG
- רҵ: Äý¾Û̬ÎïÐÔI:½á¹¹¡¢Á¦Ñ§ºÍ
5Â¥2015-11-07 13:48:22
peterflyer
ľ³æÖ®Íõ (ÎÄѧ̩¶·)
peterflyer
- MM-EPI: 2
- Ó¦Öú: 20282 (Ժʿ)
- ½ð±Ò: 146187
- ºì»¨: 1374
- Ìû×Ó: 93091
- ÔÚÏß: 7694.3Сʱ
- ³æºÅ: 1482829
- ×¢²á: 2011-11-08
- ÐÔ±ð: GG
- רҵ: ¹¦ÄÜÌÕ´É
6Â¥2015-11-07 17:26:26
xuting_1
½ð³æ (ÕýʽдÊÖ)
- Ó¦Öú: 33 (СѧÉú)
- ½ð±Ò: 1697.3
- É¢½ð: 105
- ºì»¨: 3
- Ìû×Ó: 502
- ÔÚÏß: 148.6Сʱ
- ³æºÅ: 921512
- ×¢²á: 2009-12-06
- רҵ: ½ðÊô²ÄÁÏ
¡¾´ð°¸¡¿Ó¦Öú»ØÌû
¡ï ¡ï ¡ï ¡ï ¡ï
¸Ðл²ÎÓ룬ӦÖúÖ¸Êý +1
ivan0106: ½ð±Ò+5, ¡ï¡ï¡ïºÜÓаïÖú, ÄIJ¿·ÖÊÇÂíÊÏÌ壬ÄIJ¿·ÖÊDZ´ÊÏÌå°¡£¿ 2015-11-09 09:18:53
¸Ðл²ÎÓ룬ӦÖúÖ¸Êý +1
ivan0106: ½ð±Ò+5, ¡ï¡ï¡ïºÜÓаïÖú, ÄIJ¿·ÖÊÇÂíÊÏÌ壬ÄIJ¿·ÖÊDZ´ÊÏÌå°¡£¿ 2015-11-09 09:18:53
|
ÓÐÂíÊÏÌ壬±´ÊÏÌ壬×îºÃ»¹ÊÇ´òÏÔ΢Ӳ¶ÈÈ·¶¨Ò»Ï塃 ·¢×ÔСľ³æIOS¿Í»§¶Ë |

7Â¥2015-11-07 18:29:11
ivan0106
ľ³æ (СÓÐÃûÆø)
- Ó¦Öú: 0 (Ó×¶ùÔ°)
- ½ð±Ò: 1659.3
- É¢½ð: 135
- ºì»¨: 2
- Ìû×Ó: 260
- ÔÚÏß: 68.7Сʱ
- ³æºÅ: 1355495
- ×¢²á: 2011-07-25
- רҵ: ¸ÖÌúÒ±½ð
8Â¥2015-11-09 09:16:28
ivan0106
ľ³æ (СÓÐÃûÆø)
- Ó¦Öú: 0 (Ó×¶ùÔ°)
- ½ð±Ò: 1659.3
- É¢½ð: 135
- ºì»¨: 2
- Ìû×Ó: 260
- ÔÚÏß: 68.7Сʱ
- ³æºÅ: 1355495
- ×¢²á: 2011-07-25
- רҵ: ¸ÖÌúÒ±½ð
9Â¥2015-11-09 09:19:32
cobain81
Òø³æ (СÓÐÃûÆø)
- Ó¦Öú: 9 (Ó×¶ùÔ°)
- ½ð±Ò: 324.4
- É¢½ð: 3
- ºì»¨: 2
- Ìû×Ó: 188
- ÔÚÏß: 47.5Сʱ
- ³æºÅ: 2711312
- ×¢²á: 2013-10-10
- ÐÔ±ð: GG
- רҵ: Áã¼þ³ÉÐÎÖÆÔì
10Â¥2015-11-10 11:26:31














»Ø¸´´ËÂ¥
ivan0106