| 查看: 1008 | 回复: 0 | ||
望月任新虫 (小有名气)
|
[求助]
simulink中matlab function 模块使用求助。
|
|
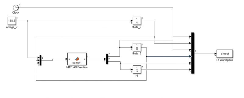
本人按照书上做一个simulink 仿真,用到了matlab function模块,但运行后提示matlab function 中的变量omega_2,theta_2,theta_3这三个变量未定义,尝试了许多方法还是没有解决问题,求大家的帮助,先谢谢大家了,simulink 文件和截图如下。 ~O]MJ4)}(8Q_}F63LA]3]OG.png |
» 本帖附件资源列表
-
欢迎监督和反馈:小木虫仅提供交流平台,不对该内容负责。
本内容由用户自主发布,如果其内容涉及到知识产权问题,其责任在于用户本人,如对版权有异议,请联系邮箱:xiaomuchong@tal.com - 附件 1 : adc.slx
2015-10-23 19:25:01, 15.2 K
» 猜你喜欢
348分环境工程·调剂
已经有5人回复
考研调剂
已经有4人回复
283分材料与化工求调剂
已经有25人回复
298求调剂
已经有8人回复
266求调剂
已经有17人回复
265求调剂
已经有19人回复
考研调剂
已经有3人回复
材料295
已经有6人回复
288求调剂 一志愿哈工大 材料与化工
已经有39人回复
285求调剂
已经有7人回复














回复此楼
120