| ²é¿´: 801 | »Ø¸´: 4 | |||
scj1991гæ (³õÈëÎÄ̳)
|
[½»Á÷]
Çó´óÉñ°ïæ·ÖÎöÏ ½ðÏàͼƬ ÒÑÓÐ4È˲ÎÓë
|
|
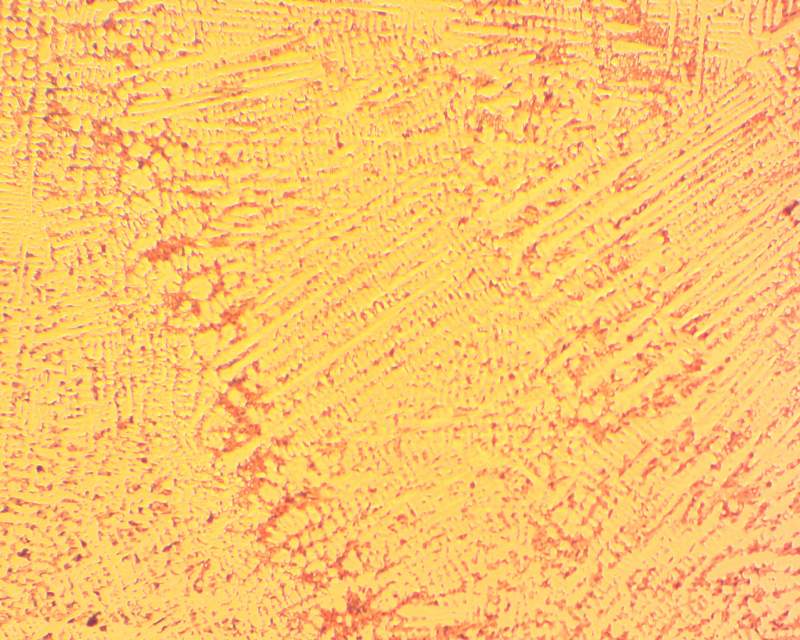
316²»Ðâ¸Ö·ÛÄ©¾¹ý¼¤¹âÈÛ¸²³ÉÐͺó×öµÄ½ðÊô¼þµÄ½ðÏàͼƬ£¬ Éϲ¿·Ö100±¶ ϲ¿·Ö100±¶ Éϲ¿·Ö500±¶ ϲ¿·Ö500±¶ |
» ²ÂÄãϲ»¶
Ò»Ö¾Ô¸ÉϺ£½»´óÉúÎïÓëҽҩר˶324·Ö£¬Çóµ÷¼Á
ÒѾÓÐ4È˻ظ´
Ò»Ö¾Ô¸ÖØÇì´óѧ085700×ÊÔ´Óë»·¾³£¬×Ü·Ö308Çóµ÷¼Á
ÒѾÓÐ4È˻ظ´
0854µç×ÓÐÅÏ¢Çóµ÷¼Á 324
ÒѾÓÐ3È˻ظ´
303Çóµ÷¼Á
ÒѾÓÐ3È˻ظ´
336Çóµ÷¼Á
ÒѾÓÐ3È˻ظ´
306Çóµ÷¼Á
ÒѾÓÐ9È˻ظ´
¹¤¿Æ0856Çóµ÷¼Á
ÒѾÓÐ4È˻ظ´
¹¤¿Æ²ÄÁÏ085601 279Çóµ÷¼Á
ÒѾÓÐ10È˻ظ´
081700 µ÷¼Á 267·Ö
ÒѾÓÐ4È˻ظ´
276Çóµ÷¼Á¡£ÓаëÄêµç³ØºÍ°ëÄê¸ß·Ö×Óʵϰ¾Àú
ÒѾÓÐ9È˻ظ´
» ±¾Ö÷ÌâÏà¹Ø¼ÛÖµÌùÍÆ¼ö£¬¶ÔÄúͬÑùÓаïÖú:
Çиî·ÂÕæ¼ÓÒÆ¶¯ÈÈÔ´Á¦ÈÈñîºÏ£¬É±ËÀµ¥Ôªºó´¦Àíʱ¸ÄÔõô´¦Àí²»Í¬ÔØºÉ²½ÏµĽá¹ûµÄÎÊÌâ
ÒѾÓÐ2È˻ظ´
GH4169Äø»ù¸ßκϽð½ðÏà
ÒѾÓÐ24È˻ظ´
¹òÇó¸÷λ½ðÏà´óÉñ°ïæ·ÖÎöÏÂÏÂÁеĽðÏëͼ
ÒѾÓÐ13È˻ظ´
»¯¹¤¿à±ÆÄÐÇó´óÉñ¸ø·ÖÎöϽðÏàºÍɨÃèµç¾µ
ÒѾÓÐ2È˻ظ´
peterflyer
ľ³æÖ®Íõ (ÎÄѧ̩¶·)
peterflyer
- MM-EPI: 2
- Ó¦Öú: 20282 (Ժʿ)
- ½ð±Ò: 146169
- ºì»¨: 1374
- Ìû×Ó: 93091
- ÔÚÏß: 7694.3Сʱ
- ³æºÅ: 1482829
- ×¢²á: 2011-11-08
- ÐÔ±ð: GG
- רҵ: ¹¦ÄÜÌÕ´É
¡ï
Сľ³æ: ½ð±Ò+0.5, ¸ø¸öºì°ü£¬Ð»Ð»»ØÌû
Сľ³æ: ½ð±Ò+0.5, ¸ø¸öºì°ü£¬Ð»Ð»»ØÌû
|
ÕâÀïÃæ³ä³â×ÅÖýÔì×éÖ¯--Óã¹Ç×´¹²¾§ÌåµÄÖù×´¾§¡£ [ ·¢×ÔÊÖ»ú°æ http://muchong.com/3g ] |
2Â¥2015-10-18 04:48:35
°®²ÝÝ®
ÖÁ×ðľ³æ (ÖøÃûдÊÖ)
- Ó¦Öú: 3 (Ó×¶ùÔ°)
- ½ð±Ò: 11909.9
- É¢½ð: 173
- ºì»¨: 7
- Ìû×Ó: 2767
- ÔÚÏß: 142.8Сʱ
- ³æºÅ: 3097118
- ×¢²á: 2014-03-28
- רҵ: ½ðÊô²ÄÁϵÄÄ¥ËðÓëĥʴ

3Â¥2015-10-18 07:17:27
ruirui4598
ľ³æ (ÕýʽдÊÖ)
- Ó¦Öú: 49 (СѧÉú)
- ½ð±Ò: 3991.6
- ºì»¨: 11
- Ìû×Ó: 357
- ÔÚÏß: 32.2Сʱ
- ³æºÅ: 3602302
- ×¢²á: 2014-12-19
- רҵ: ½ðÊô²ÄÁϵÄ΢¹Û½á¹¹
4Â¥2015-10-18 07:40:29
ƽң
гæ (³õÈëÎÄ̳)
- Ó¦Öú: 0 (Ó×¶ùÔ°)
- ½ð±Ò: 252
- Ìû×Ó: 42
- ÔÚÏß: 16.2Сʱ
- ³æºÅ: 4138839
- ×¢²á: 2015-10-12
- רҵ: ½ðÊô²ÄÁϱíÃæ¿ÆÑ§Ó빤³Ì
5Â¥2015-10-18 07:51:18













»Ø¸´´ËÂ¥