| 查看: 1018 | 回复: 3 | ||
| 当前只显示满足指定条件的回帖,点击这里查看本话题的所有回帖 | ||
[求助]
纯铝焊接接头金相腐蚀 已有1人参与
|
||
|
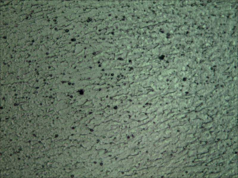
各位大神好,小弟做纯铝的搅拌摩擦焊。但是焊缝金相腐蚀时,总会用小黑洞,腐蚀过程:机械抛光至表面干净,有很浅的划痕(腐蚀过后没有),腐蚀液HF溶液(1:100),在超声波中腐蚀大概5min左右,然后冲洗干净。请问图中小黑点(SEM显示为小黑洞)是怎么造成的?谢谢! 200倍.JPG 500倍.JPG |
» 猜你喜欢
华师大读博
已经有3人回复
急需审稿人!!!
已经有3人回复
申博/考博
已经有8人回复
一志愿A区211,22408 321求调剂
已经有8人回复
295分求调剂
已经有6人回复
一志愿中科大材料与化工,353分还有调剂学校吗
已经有13人回复
085600材料与化工调剂
已经有6人回复
期刊推荐
已经有5人回复
有没有接收比较快的sci期刊呀,最好在一个月之内的,研三孩子求毕业
已经有7人回复
又一批高校组建人工智能学院 师资行吗 不是骗人吗
已经有4人回复
» 本主题相关价值贴推荐,对您同样有帮助:
外文文献(中英文对照)
已经有2人回复
3楼2015-10-12 08:50:59
peterflyer
木虫之王 (文学泰斗)
peterflyer
- MM-EPI: 2
- 应助: 20282 (院士)
- 金币: 146277
- 红花: 1374
- 帖子: 93091
- 在线: 7694.4小时
- 虫号: 1482829
- 注册: 2011-11-08
- 性别: GG
- 专业: 功能陶瓷
2楼2015-10-11 19:51:54
peterflyer
木虫之王 (文学泰斗)
peterflyer
- MM-EPI: 2
- 应助: 20282 (院士)
- 金币: 146277
- 红花: 1374
- 帖子: 93091
- 在线: 7694.4小时
- 虫号: 1482829
- 注册: 2011-11-08
- 性别: GG
- 专业: 功能陶瓷
4楼2015-10-12 09:50:44













回复此楼
5