²é¿´: 611  |  »Ø¸´: 0

³æ³æÔÚÄÄÀï

гæ (³õÈëÎÄ̳)

[ÇóÖú] ÓÃÓ¦±äƬµÄ·½·¨²âÁ¿IÐͶ¯Ì¬Ó¦Á¦Ç¿¶ÈÒò×ÓÈ·¶¨C1/C0ÓÃmatlab¸ÃÔõÑù±à³Ì¡¢»æÍ¼

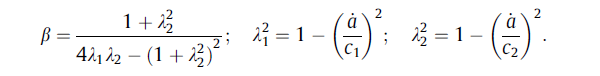
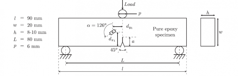
±¾ÈËÑо¿ÓÃÓ¦±äƬµÄλÖúͽǶȷ½·¨²âÁ¿²ÄÁϵÄopening mode¶¯Ì¬Ó¦Á¦Ç¿¶ÈÒò×Ó£¬µ«ÊÇ×Ô¼ºÑ§Ï°¼°±à³ÌÄÜÁ¦ÓÐÏÞ£¬ÔÚ¿´ÁËDALLYºÍSANFORDµÈһЩ×÷ÕßÎÄÏ×Öд¦Àí·½³Ì²¢µÃµ½ÁËһЩͼÐΣ¬²»ÖªµÀÕâЩͼÐÎÓÃmatlabÈçºÎÓñà³ÌµÃµ½¡£Ï£Íû¶®µÄÈ˸øÓèÖ¸µã£¬ÈçÄܰïæ½â¾öÎÊÌâ±ØÓÐÖØÐ»¡£·½³Ì¡¢Í¼ÐÎÈçÏ£¬×îºó¼¸¸öÊÇÒªµÃµ½µÄͼÐΡ£ÁÑÎÆÀ©Õ¹ËÙ¶È¡¢alpha½Ç¡¢Ó¦±äƬ¾àÀë¶¼ÒÑÖª

ÓÃÓ¦±äƬµÄ·½·¨²âÁ¿IÐͶ¯Ì¬Ó¦Á¦Ç¿¶ÈÒò×ÓÈ·¶¨C1/C0ÓÃmatlab¸ÃÔõÑù±à³Ì¡¢»æÍ¼
1.PNG


ÓÃÓ¦±äƬµÄ·½·¨²âÁ¿IÐͶ¯Ì¬Ó¦Á¦Ç¿¶ÈÒò×ÓÈ·¶¨C1/C0ÓÃmatlab¸ÃÔõÑù±à³Ì¡¢»æÍ¼-1
2.PNG


ÓÃÓ¦±äƬµÄ·½·¨²âÁ¿IÐͶ¯Ì¬Ó¦Á¦Ç¿¶ÈÒò×ÓÈ·¶¨C1/C0ÓÃmatlab¸ÃÔõÑù±à³Ì¡¢»æÍ¼-2
3.PNG


ÓÃÓ¦±äƬµÄ·½·¨²âÁ¿IÐͶ¯Ì¬Ó¦Á¦Ç¿¶ÈÒò×ÓÈ·¶¨C1/C0ÓÃmatlab¸ÃÔõÑù±à³Ì¡¢»æÍ¼-3
4.PNG


ÓÃÓ¦±äƬµÄ·½·¨²âÁ¿IÐͶ¯Ì¬Ó¦Á¦Ç¿¶ÈÒò×ÓÈ·¶¨C1/C0ÓÃmatlab¸ÃÔõÑù±à³Ì¡¢»æÍ¼-4
5.PNG


ÓÃÓ¦±äƬµÄ·½·¨²âÁ¿IÐͶ¯Ì¬Ó¦Á¦Ç¿¶ÈÒò×ÓÈ·¶¨C1/C0ÓÃmatlab¸ÃÔõÑù±à³Ì¡¢»æÍ¼-5
6.PNG
»Ø¸´´ËÂ¥

» ²ÂÄãϲ»¶

» ±¾Ö÷ÌâÏà¹ØÉ̼ÒÍÆ¼ö: (ÎÒÒ²ÒªÔÚÕâÀïÍÆ¹ã)

ÒÑÔÄ   »Ø¸´´ËÂ¥   ¹Ø×¢TA ¸øTA·¢ÏûÏ¢ ËÍTAºì»¨ TAµÄ»ØÌû
Ïà¹Ø°æ¿éÌø×ª ÎÒÒª¶©ÔÄÂ¥Ö÷ ³æ³æÔÚÄÄÀï µÄÖ÷Ìâ¸üÐÂ
×î¾ßÈËÆøÈÈÌûÍÆ¼ö [²é¿´È«²¿] ×÷Õß »Ø/¿´ ×îºó·¢±í
[¿¼ÑÐ] 353Çóµ÷¼Á +3 À­¹³²»Ðí±ä 2026-03-20 3/150 2026-03-20 19:56 by JourneyLucky
[¿¼ÑÐ] 319Çóµ÷¼Á +3 СÁ¦Æøçæçæ 2026-03-20 3/150 2026-03-20 19:47 by JourneyLucky
[¿¼ÑÐ] ²ÄÁÏÓ뻯¹¤×¨Ë¶µ÷¼Á +7 heming3743 2026-03-16 7/350 2026-03-20 19:31 by zhukairuo
[¿¼ÑÐ] 295²ÄÁÏÇóµ÷¼Á£¬Ò»Ö¾Ô¸Î人Àí¹¤085601ר˶ +4 Charlieyq 2026-03-19 4/200 2026-03-20 14:26 by ÎÞи¿É»÷111
[¿¼ÑÐ] Ò»Ö¾Ô¸Î÷ÄϽ»Í¨ ר˶ ²ÄÁÏ355 ±¾¿ÆË«·Ç Çóµ÷¼Á +4 Î÷ÄϽ»Í¨×¨²Ä355 2026-03-19 4/200 2026-03-20 11:39 by »¨¿ª¸»¹óÐÒ¸£ÈËÉ
[¿¼ÑÐ] ²ÄÁÏѧ˶318Çóµ÷¼Á +5 February_Feb 2026-03-19 5/250 2026-03-19 23:51 by 23Postgrad
[¿¼ÑÐ] 081700»¯¹¤Ñ§Ë¶µ÷¼Á +3 ¡¾1¡¿ 2026-03-16 3/150 2026-03-19 23:40 by edmund7
[¿¼ÑÐ] 321Çóµ÷¼Á +8 ºÎÈó²É123 2026-03-18 10/500 2026-03-19 16:46 by ºÎÈó²É123
[¿¼ÑÐ] 286Çóµ÷¼Á +6 lemonzzn 2026-03-16 10/500 2026-03-19 14:31 by lemonzzn
[¿¼ÑÐ] 0703»¯Ñ§µ÷¼Á +5 pupcoco 2026-03-17 8/400 2026-03-19 13:58 by houyaoxu
[¿¼ÑÐ] ²ÄÁÏרҵÇóµ÷¼Á +5 hanamiko 2026-03-18 5/250 2026-03-18 20:19 by ÐÇ¿ÕÐÇÔÂ
[¿¼ÑÐ] 08¹¤¿Æ 320×Ü·Ö Çóµ÷¼Á +5 À滨çóÍí·ç 2026-03-17 5/250 2026-03-18 14:49 by haxia
[¿¼ÑÐ] 280Çóµ÷¼Á +6 ¹¾ààÏþÏþ 2026-03-18 7/350 2026-03-18 11:25 by Î޼ʵIJÝÔ­
[¿¼ÑÐ] 303Çóµ÷¼Á +4 î£08 2026-03-17 6/300 2026-03-18 11:01 by Iveryant
[¿¼ÑÐ] Ò»Ö¾Ô¸£¬¸£ÖÝ´óѧ²ÄÁÏר˶339·ÖÇóµ÷¼Á +3 ľ×ÓmomoÇàÕù 2026-03-15 3/150 2026-03-17 07:52 by laoshidan
[¿¼ÑÐ] 318Çóµ÷¼Á +3 Yanyali 2026-03-15 3/150 2026-03-16 16:41 by houyaoxu
[¿¼ÑÐ] 327Çóµ÷¼Á +6 ʰ¹âÈÎȾ 2026-03-15 11/550 2026-03-15 22:47 by ʰ¹âÈÎȾ
[¿¼ÑÐ] ÇóÀÏʦÊÕÁôµ÷¼Á +4 jiang½ª66 2026-03-14 5/250 2026-03-15 20:11 by Winj1e
[¿¼ÑÐ] 0856ר˶279Çóµ÷¼Á +5 ¼ÓÓͼÓÓÍ£¡? 2026-03-15 5/250 2026-03-15 11:58 by 2020015
[¿¼ÑÐ] 297Ò»Ö¾Ô¸ÉϽ»085600Çóµ÷¼Á +5 Ö¸¼â°ËǧÀï 2026-03-14 5/250 2026-03-14 17:26 by a²»Ò×
ÐÅÏ¢Ìáʾ
ÇëÌî´¦ÀíÒâ¼û