24小时热门版块排行榜    

Znn3bq.jpeg
查看: 185  |  回复: 0

jga19921216

新虫 (初入文坛)

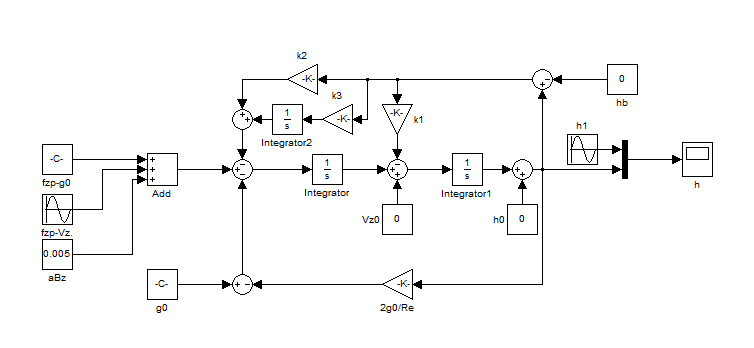
[求助] 为什么加阻尼后输出的和理论的不同步

系统开始是发散的,然后给系统加了三阶阻尼,阻尼系数K1k2k3,如图所示。为什么输出h和理论的h1不同步,怎么解决这个问题?

为什么加阻尼后输出的和理论的不同步
1.png


为什么加阻尼后输出的和理论的不同步-1
2.png
回复此楼
已阅   回复此楼   关注TA 给TA发消息 送TA红花 TA的回帖
相关版块跳转 我要订阅楼主 jga19921216 的主题更新
最具人气热帖推荐 [查看全部] 作者 回/看 最后发表
[考博] 化学专业申博 +3 赵子羊 2026-05-23 4/200 2026-05-24 18:10 by 工大学长
[硕博家园] 售SCI一区T0P文章,我:8.O.5.5.1.O.5.4,科目齐全,可+急 +3 1rx34o113h 2026-05-23 3/150 2026-05-24 17:41 by 0i3mu4vkjz
[教师之家] 论文撤稿了 +4 bjvtcliu 2026-05-24 7/350 2026-05-24 17:29 by bjvtcliu
[博后之家] 售SCI一区T0P文章,我:8.O.5.5.1.O.5.4,科目齐全,可+急 +3 hvkbtfonbv 2026-05-23 3/150 2026-05-24 17:10 by 75ui6h7z2t
[考博] 售SCI一区T0P文章,我:8.O.5.5.1.O.5.4,科目齐全,可+急 +3 hvkbtfonbv 2026-05-23 3/150 2026-05-24 17:01 by 75ui6h7z2t
[考研] 售SCI一区T0P文章,我:8.O.5.5.1.O.5.4,科目齐全,可+急 +3 a2tycdlnq1 2026-05-23 5/250 2026-05-24 16:21 by hhx1yx9evi
[论文投稿] 售SCI一区T0P文章,我:8.O.5.5.1.O.5.4,科目齐全,可+急 +3 a2tycdlnq1 2026-05-23 4/200 2026-05-24 16:16 by hhx1yx9evi
[硕博家园] 售SCI一区T0P文章,我:8.O.5.5.1.O.5.4,科目齐全,可+急 +4 pmo95bazuy 2026-05-23 8/400 2026-05-24 15:56 by 1uy1ht2y9r
[基金申请] 西安交大新媒学院副院长用撤稿论文结题 +3 bjvtcliu 2026-05-24 5/250 2026-05-24 10:16 by kudofaye
[教师之家] 某211大学教师把个人教师官方主页改成:我跑了我跑了我跑了!官宣跑路! +4 zju2000 2026-05-21 5/250 2026-05-24 09:35 by songwz
[考博] 26/27申博自荐 10+4 ZXW0202 2026-05-22 9/450 2026-05-24 08:47 by bjvtcliu
[基金申请] 青B发送上会通知了吗 +5 chemBioBro 2026-05-22 7/350 2026-05-23 12:35 by zhuifengzhy
[考博] 博士申请 +3 焦晓明 2026-05-21 3/150 2026-05-23 11:26 by mlc840311
[论文投稿] 投稿求助,期刊 +4 希冀,有书读 2026-05-20 8/400 2026-05-22 10:16 by 希冀,有书读
[文学芳草园] 献血感触 +7 呀呀好傻 2026-05-19 13/650 2026-05-21 20:15 by 呀呀好傻
[基金申请] 国自然评分 +4 无名者登山 2026-05-20 5/250 2026-05-21 16:35 by swuq
[基金申请] 国自然上会要求 +7 无名者登山 2026-05-18 11/550 2026-05-21 15:50 by draco1987
[基金申请] 提交了我也来说说感想 +9 fummck 2026-05-20 10/500 2026-05-21 14:17 by draco1987
[有机交流] 反应很差,大量原料没有反应 5+3 Mr.Zot 2026-05-19 8/400 2026-05-20 22:19 by Equinoxhua
[考博] 如果工作了想读博,可以边工作边读全日制嘛? 30+3 铁达火车 2026-05-18 5/250 2026-05-20 09:33 by tfang
信息提示
请填处理意见