| ²é¿´: 2025 | »Ø¸´: 2 | ||
xidapubenÒø³æ (³õÈëÎÄ̳)
|
[ÇóÖú]
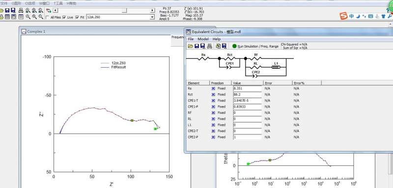
ZviewÖÐÈçºÎÑ¡ÔñµÈЧµç·ÄâºÏËùÐèÒªµã¡£¡£¡£
|
|
¸ù¾Ý×Ô¼ºµÄ×迹ͼÆ×ÓÃZviewÈ¥»µÈЧµç·£¬µ«ÔõôѡÔñµãµÄ·¶Î§Çó³ö¶ÔÓ¦µç»¯Ñ§Ôª¼þµÄÖµ£¿ QQ Photo20150714002659.jpg |
» ²ÂÄãϲ»¶
¹ØÓÚ̼Á¿×ӵ㿹¾úµÄÑо¿
ÒѾÓÐ15È˻ظ´
ÄÏ´ó»¯Ñ§µ÷¼Á
ÒѾÓÐ11È˻ظ´
·ÖÎö»¯Ñ§ÂÛÎÄÈóÉ«/·ÒëÔõôÊÕ·Ñ?
ÒѾÓÐ207È˻ظ´
ÁòËáÄÆÈÜҺŨ¶ÈÓëÃܶÈÇúÏß
ÒѾÓÐ0È˻ظ´
0703µ÷¼Á
ÒѾÓÐ2È˻ظ´
1
ÒѾÓÐ20È˻ظ´
0703 µ÷¼Á
ÒѾÓÐ5È˻ظ´
ÕÐÊÕ
ÒѾÓÐ0È˻ظ´
Î÷ÄÏij211ÕÐ27½ì²©Ê¿
ÒѾÓÐ23È˻ظ´
´óÁ¬¹¤Òµ½ÜÇà/³¤½ÍŶÓ-ÉúÎïÖʲÄÁÏ-´¢ÄÜµç³Ø·½ÏòÕÐÊÕ2026¼¶²©Ê¿Éú
ÒѾÓÐ0È˻ظ´

houjingli124
Òø³æ (СÓÐÃûÆø)
- Ó¦Öú: 1 (Ó×¶ùÔ°)
- ½ð±Ò: 1064.7
- É¢½ð: 50
- ºì»¨: 5
- Ìû×Ó: 92
- ÔÚÏß: 81.7Сʱ
- ³æºÅ: 2311503
- ×¢²á: 2013-03-02
- ÐÔ±ð: MM
- רҵ: ¸ß·Ö×Ӻϳɻ¯Ñ§

2Â¥2015-07-15 15:53:55
xidapuben
Òø³æ (³õÈëÎÄ̳)
- Ó¦Öú: 0 (Ó×¶ùÔ°)
- ½ð±Ò: 1207.7
- Ìû×Ó: 43
- ÔÚÏß: 65.1Сʱ
- ³æºÅ: 3297545
- ×¢²á: 2014-06-29
- ÐÔ±ð: GG
- רҵ: ·ÂÉú²ÄÁÏ

3Â¥2015-07-16 23:28:16













»Ø¸´´ËÂ¥
50