| 查看: 336 | 回复: 1 | |
[求助]
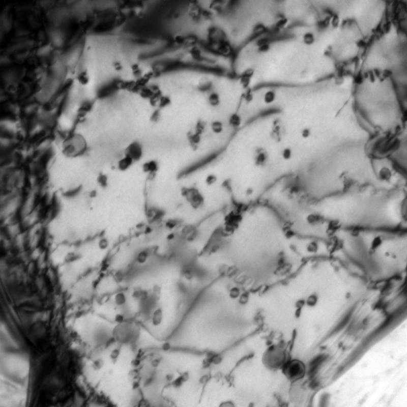
帮忙看看搅拌摩擦焊后核区位错形态 已有1人参与
|
|
|
|
|
gutentagran铜虫 (正式写手)
|
|
|
2楼2015-05-30 10:32:02
|
|














回复此楼