| 查看: 1700 | 回复: 5 | ||
[求助]
铝合金焊接问题,这些金相图哪块是清楚的...都是些什么组织啊,求大神 已有4人参与
|
|
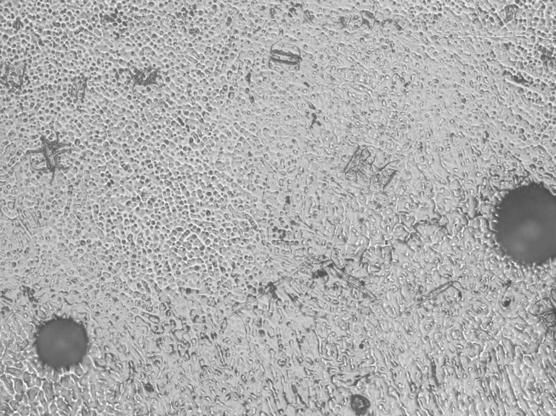
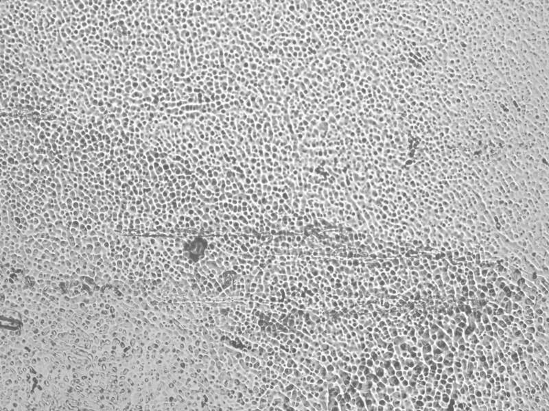
这些图都是200倍显微镜下 焊缝中心的图片, 母材6061铝合金,焊丝ER5356,MIG焊,18v 120A 不知道到底什么样算是清楚的,求大神指教 另外,关于这些东西都是什么组织也请大神指教 120-200-1014.jpg 120-200-3029.jpg 120-200-2021.jpg 120-200-3028.jpg 120-200-0016.jpg |
» 猜你喜欢
请教限项目规定
已经有5人回复
拟解决的关键科学问题还要不要写
已经有8人回复
最失望的一年
已经有16人回复
存款400万可以在学校里躺平吗
已经有33人回复
求助一下有机合成大神
已经有3人回复
求推荐英文EI期刊
已经有5人回复
26申博
已经有3人回复
基金委咋了?2026年的指南还没有出来?
已经有10人回复
基金申报
已经有6人回复
疑惑?
已经有5人回复
» 本主题相关价值贴推荐,对您同样有帮助:
6系铝合金的金相组织
已经有12人回复
铝合金金相问题求助
已经有10人回复
分析铝合金均匀化与铸态金相组织主要是看哪些方面?均匀化后晶粒是不是变大??
已经有10人回复
2楼2015-05-27 18:07:59
《草原的风》
至尊木虫 (职业作家)
- 应助: 854 (博后)
- 金币: 17198.3
- 红花: 102
- 帖子: 3285
- 在线: 959小时
- 虫号: 2536060
- 注册: 2013-07-07
- 性别: GG
- 专业: 金属结构材料
【答案】应助回帖
★ ★ ★ ★ ★ ★ ★ ★ ★ ★ ★ ★ ★ ★ ★ ★ ★ ★ ★ ★ ★ ★ ★ ★ ★ ★ ★ ★ ★ ★
1103225886: 金币+30, ★★★★★最佳答案, 虽然还有些不懂,但是谢谢,帮大忙了 2015-05-31 17:09:57
1103225886: 金币+30, ★★★★★最佳答案, 虽然还有些不懂,但是谢谢,帮大忙了 2015-05-31 17:09:57
|
个人看法仅供参考。 图1上部有一些树枝晶,中部为细小的等轴晶,下部为叫粗大的等轴晶。 图2等轴晶、树枝晶混杂。 图3是等轴晶,大小较为均匀。 图4上部是等轴晶,下部有一些柱状晶。 图5不甚清晰。上部有一些析出相,按照6061合金来说应该是Mg2Si相,中间也有有些,不多,大部分是等轴晶,右下角有一些柱状晶。 |

3楼2015-05-27 21:16:23
wucy3657623
木虫 (正式写手)
芒果毛毛虫
- 应助: 131 (高中生)
- 金币: 4168.9
- 红花: 37
- 帖子: 818
- 在线: 379.8小时
- 虫号: 574042
- 注册: 2008-06-15
- 性别: GG
- 专业: 金属材料的微观结构

4楼2015-05-27 22:53:34
5楼2015-05-28 15:50:39
聊大小树林
铁杆木虫 (知名作家)
- 应助: 42 (小学生)
- 金币: 7731.2
- 散金: 3018
- 红花: 47
- 沙发: 2
- 帖子: 6045
- 在线: 1244小时
- 虫号: 1847532
- 注册: 2012-06-04
- 性别: GG
- 专业: 金属材料的合金相、相变及

6楼2015-05-28 16:12:04













回复此楼