| 查看: 3463 | 回复: 0 | ||
[求助]
Multisim中如何设置三极管的参数及一些仿真问题
|
|
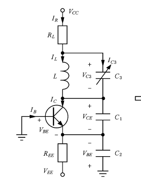
想在Multisim中仿真禹思敏的《四阶Colpitts混沌振荡器》中电路,文章中有对三极管基极与发射极之间导通电压Vth和导通电阻的Ron的设置(三极管型号已给出),请问这个在仿真时怎么实现?同时要测量w/z,其中w为(RonIL)/Rl,Z为Vc3/Vth,请指导下,谢谢! 电路.png |
» 猜你喜欢
上海电力大学材料防护与新材料重点实验室招收调剂研究生(材料、化学、电化学,环境)
已经有4人回复
材料学求调剂
已经有6人回复
303求调剂
已经有5人回复
一志愿武理085500机械专业总分300求调剂
已经有7人回复
考研调剂
已经有4人回复
281求调剂
已经有4人回复
0805 316求调剂
已经有6人回复
085601求调剂总分293英一数二
已经有3人回复
08工学调剂
已经有17人回复
340求调剂
已经有4人回复













回复此楼
点击这里搜索更多相关资源
20