24小时热门版块排行榜    

北京石油化工学院2026年研究生招生接收调剂公告
查看: 358  |  回复: 1

zxyxz8077

银虫 (初入文坛)

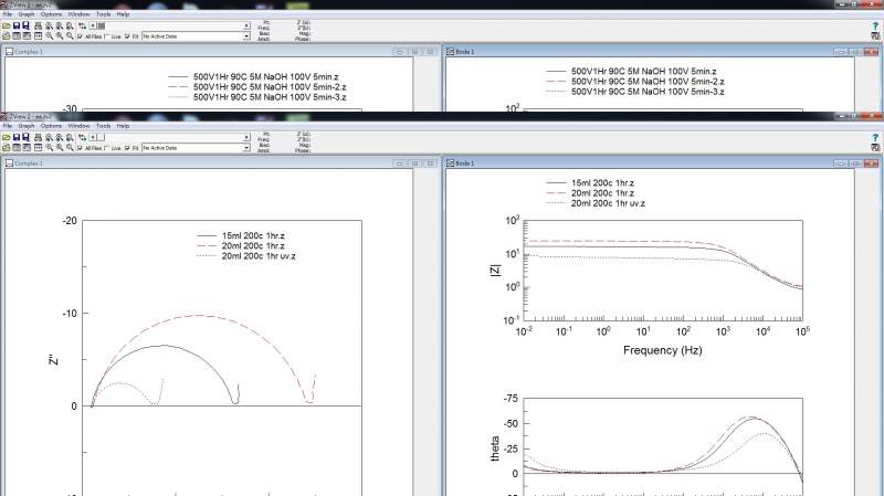
[求助] 阻抗小白?碓儐朾ode圖意義

分析環境是三電極式 工作電極為石墨毡 對電極為鐵碳銅網 參考電極為SCE

電解液為硫酸氧釩溶液 頻率為100000~0.01Hz 振幅為0.05V

測出?淼淖杩谷缦聢D



-1

我想請問的是 這兩者的bode圖不太一樣 低頻區的warburg電阻斜率也不太一樣

想請問一下 想判斷系統是否正常或者這材料的電性好壞究竟是要以哪個為基準

是要看bode圖的頻率和相位角的響應還是像我老闆說warbug的斜率要45度才是好的?

正常?碚f我系統的等效電路應為

-2

前面的電感是我做為石墨毡的延伸電極的金屬片

先謝謝各位大神了!
回复此楼
已阅   回复此楼   关注TA 给TA发消息 送TA红花 TA的回帖

zxyxz8077

银虫 (初入文坛)

自己頂一下 拜託各位大神QQ
2楼2015-05-06 09:31:07
已阅   回复此楼   关注TA 给TA发消息 送TA红花 TA的回帖
相关版块跳转 我要订阅楼主 zxyxz8077 的主题更新
最具人气热帖推荐 [查看全部] 作者 回/看 最后发表
[考研] 调剂推荐 +7 清酒714 2026-03-26 8/400 2026-03-31 22:12 by 544594351
[考研] 材料调剂 5+6 想要一壶桃花水 2026-03-25 13/650 2026-03-31 21:55 by cqhuanglong
[考研] 考研调剂 +9 小蜡新笔 2026-03-29 10/500 2026-03-31 19:52 by Dyhoer
[考研] 求调剂推荐 材料 304 +18 荷包蛋hyj 2026-03-26 18/900 2026-03-31 18:08 by 544594351
[考研] 085600 材料与化工 329分求调剂 +20 Mr. Z 2026-03-25 21/1050 2026-03-31 16:53 by Zzxxxs
[考研] 322求调剂:一志愿湖南大学 材料与化工(085600),已过六级。 +10 XX小邓 2026-03-29 10/500 2026-03-31 16:46 by 不吃魚的貓
[考研] 0856调剂 +6 曲听筠 2026-03-30 6/300 2026-03-31 09:44 by Jaylen.
[考研] 福建理工大学材料学院先进合金团队招收考研调剂学生 +3 大华金商都 2026-03-30 4/200 2026-03-31 01:04 by 方英俊602
[考研] 0703化学求调剂 +6 丹青奶盖 2026-03-26 8/400 2026-03-30 18:33 by 探123
[考研] 一志愿南开大学0710生物学359求调剂 +5 兔兔兔111223314 2026-03-29 7/350 2026-03-30 18:29 by 兔兔兔111223314
[考研] 332求调剂 +6 @MZB382400 2026-03-28 6/300 2026-03-30 16:57 by 无际的草原
[考研] 283求调剂(080500) +14 A child 2026-03-27 14/700 2026-03-30 12:06 by 探123
[考研] 279求调剂 +4 蝶舞轻绕 2026-03-29 4/200 2026-03-29 09:45 by laoshidan
[硕博家园] 招收生物学/细胞生物学调剂 +4 IceGuo 2026-03-26 5/250 2026-03-29 01:25 by griffith2014
[考研] 一志愿厦门大学化学学硕307求调剂 +10 y7czhao 2026-03-26 10/500 2026-03-28 14:23 by 唐沐儿
[考研] 340求调剂 +5 jhx777 2026-03-27 5/250 2026-03-28 04:18 by fmesaito
[考研] 352分 化工与材料 +5 海纳百川Ly 2026-03-27 5/250 2026-03-28 03:39 by fmesaito
[考研] 265求调剂11408 +3 刘小鹿lu 2026-03-27 3/150 2026-03-27 20:53 by nihaoar
[考研] 085600,材料与化工321分调剂 +4 大馋小子 2026-03-27 6/300 2026-03-27 14:11 by 松花缸1201
[考研] 材料求调剂 +5 .m.. 2026-03-25 5/250 2026-03-27 11:08 by 不吃魚的貓
信息提示
请填处理意见