²é¿´: 1110  |  »Ø¸´: 2

matthew_hit

гæ (³õÈëÎÄ̳)

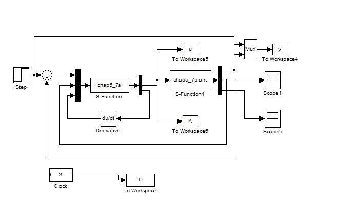
[ÇóÖú] RBF»¬Ä£±ä½á¹¹ ³ÌÐò½á¹û²»¶Ô°¡ ³ÌÐòÊÇÁõ½ðçûÊéÉϵÄ

ÈçÌâ   ÎÒÖ»ÓÐÒ»¸ö½ð±Ò¡£¡£¡£ºÍÅÌÍгö


×Ô¼ºÒ²¶Ô¹ýÁË Ã»ÎÊÌâ  ³ÌÐòÒ²Àí½â£¬¾ÍÊǽá¹ûÔõô²»¶Ô¡£¡£¡£Õ⻹ÊÇÊéÉϵijÌÐò

³ÌÐòÈçÏÂ

function [sys,x0,str,ts] = spacemodel(t,x,u,flag)

switch flag,
case 0,
    [sys,x0,str,ts]=mdlInitializeSizes;
case 3,
    sys=mdlOutputs(t,x,u);
case {2,4,9}
    sys=[];
otherwise
    error(['Unhandled flag = ',num2str(flag)]);
end

function [sys,x0,str,ts]=mdlInitializeSizes
sizes = simsizes;
sizes.NumContStates  = 0;
sizes.NumDiscStates  = 0;
sizes.NumOutputs     = 3;
sizes.NumInputs      = 3;
sizes.DirFeedthrough = 1;
sizes.NumSampleTimes = 0;
sys = simsizes(sizes);
x0  = [];
str = [];
ts  = [];

function sys=mdlOutputs(t,x,u)
persistent w w_1 w_2 m b

Gp=133;
Gmax=150;
Gmin=100;
alfa=sqrt(Gmax/Gmin)+1;

r=1;dr=0;ddr=0;

e=u(1);
de=u(2)-dr;
c=5;
s=c*e+de;

fp=-25*u(2);
F=5*abs(u(2));

D=50;

Up=-fp-c*de+ddr;
ueq=1/Gp*Up;

xite=0.50;

M=1;
switch 2
case 1
   K=alfa*(F+D+xite+(alfa-1)*abs(Up));
case 2    %Using RBF

if t==0
        w=30*ones(3,1);
        m=3*ones(2,3);
   b=5*ones(3,1);
   w_2=w_1;
        w_1=w;
       
end

        ds=u(3);
        xi=[s;ds];
for j=1:1:3
    h(j)=exp(-norm(xi-m(:,j))^2/(2*b(j)*b(j)));
end
        ym=w'*h';
        K=abs(ym);
        dyu=1.0;

        xite1=0.80;
        alfa1=0.05;
        d_w=xite1*e*dyu*1/Gp*sign(s)*h'*sign(ym);
        w=w_1+d_w+alfa1*(w_1-w_2);
end
un=-1/Gp*K*sign(s);
ut=ueq+un;

sys(1)=ut;
sys(2)=K;
sys(3)=s;


---------------------------------·Ö¸îÏß

%S-function for continuous state equation
function [sys,x0,str,ts]=s_function(t,x,u,flag)

switch flag,
%Initialization
  case 0,
    [sys,x0,str,ts]=mdlInitializeSizes;
case 1,
    sys=mdlDerivatives(t,x,u);
%Outputs
  case 3,
    sys=mdlOutputs(t,x,u);
%Unhandled flags
  case {2, 4, 9 }
    sys = [];
%Unexpected flags
  otherwise
    error(['Unhandled flag = ',num2str(flag)]);
end

%mdlInitializeSizes
function [sys,x0,str,ts]=mdlInitializeSizes
sizes = simsizes;
sizes.NumContStates  = 2;
sizes.NumDiscStates  = 0;
sizes.NumOutputs     = 3;
sizes.NumInputs      = 1;
sizes.DirFeedthrough = 0;
sizes.NumSampleTimes = 0;

sys=simsizes(sizes);
x0=[0,0];
str=[];
ts=[];

function sys=mdlDerivatives(t,x,u)

fp=-25*x(2);
f=fp-5*sin(t)*x(2);
Gp=133;
G=Gp+15*sin(t);

b=0.05;c=2;
dt=50*exp(-(t-c)^2/(2*b^2));   %rbf_func.m

sys(1)=x(2);
sys(2)=f+G*u+dt;
function sys=mdlOutputs(t,x,u)
b=0.05;c=2;
dt=50*exp(-(t-c)^2/(2*b^2));   %rbf_func.m

sys(1)=x(1);
sys(2)=x(2);
sys(3)=dt;

----------------------------------------·Ö¸îÏß


close all;

figure(1);
plot(t,y(:,1),'r',t,y(:,2),'b');
xlabel('time(s)');ylabel('Position tracking');

figure(2);
plot(t,u(:,1),'r');
xlabel('time(s)');ylabel('Control input');

figure(3);
plot(t,K(:,1),'r');
xlabel('time(s)');ylabel('Gain K');

RBF»¬Ä£±ä½á¹¹  ³ÌÐò½á¹û²»¶Ô°¡  ³ÌÐòÊÇÁõ½ðçûÊéÉϵÄ
1.JPG


RBF»¬Ä£±ä½á¹¹  ³ÌÐò½á¹û²»¶Ô°¡  ³ÌÐòÊÇÁõ½ðçûÊéÉϵÄ-1
²¶»ñ2.JPG
»Ø¸´´ËÂ¥
ÒÑÔÄ   »Ø¸´´ËÂ¥   ¹Ø×¢TA ¸øTA·¢ÏûÏ¢ ËÍTAºì»¨ TAµÄ»ØÌû

ÐűËÄÏɽ

ľ³æ (ÖøÃûдÊÖ)

ÁõÀÏʦÊÇMATLABµÄһλ´ó¸ßÊÖ£¬³ÌÐòÓ¦¸Ã²»´ó¿ÉÄÜÓдíµÄ
2Â¥2015-04-29 22:32:25
ÒÑÔÄ   »Ø¸´´ËÂ¥   ¹Ø×¢TA ¸øTA·¢ÏûÏ¢ ËÍTAºì»¨ TAµÄ»ØÌû

matthew_hit

гæ (³õÈëÎÄ̳)

ÒýÓûØÌû:
2Â¥: Originally posted by ÐűËÄÏɽ at 2015-04-29 22:32:25
ÁõÀÏʦÊÇMATLABµÄһλ´ó¸ßÊÖ£¬³ÌÐòÓ¦¸Ã²»´ó¿ÉÄÜÓдíµÄ

ÁõÀÏʦȷʵÊǸßÊÖ Ð´µÄ¼¸±¾ÊéÊé¶¼ºÜºÃ
µ«Õâ³ÌÐòȷʵÔËÐнá¹ûÓÐÎó ÕâÊÇ2005°æ±ä½á¹¹¿ØÖÆÊéÉϵÄ

[ ·¢×ÔСľ³æ¿Í»§¶Ë ]
3Â¥2015-04-30 11:42:53
ÒÑÔÄ   »Ø¸´´ËÂ¥   ¹Ø×¢TA ¸øTA·¢ÏûÏ¢ ËÍTAºì»¨ TAµÄ»ØÌû
Ïà¹Ø°æ¿éÌø×ª ÎÒÒª¶©ÔÄÂ¥Ö÷ matthew_hit µÄÖ÷Ìâ¸üÐÂ
×î¾ßÈËÆøÈÈÌûÍÆ¼ö [²é¿´È«²¿] ×÷Õß »Ø/¿´ ×îºó·¢±í
[¿¼²©] ÊÛSCIÒ»ÇøÎÄÕ£¬ÎÒ:8 O5 51O 54,¿ÆÄ¿ÆëÈ«,¿É+¼± +4 khieu8v8m0 2026-02-22 4/200 2026-02-23 06:46 by jsjzfl
[˶²©¼ÒÔ°] ÊÛSCIÒ»ÇøÎÄÕ£¬ÎÒ:8 O5 51O 54,¿ÆÄ¿ÆëÈ«,¿É+¼± +3 8rmuugja8q 2026-02-22 6/300 2026-02-23 06:39 by w4l55oybr1
[ÂÛÎÄͶ¸å] ÊÛSCIÒ»ÇøÎÄÕ£¬ÎÒ:8 O5 51O 54,¿ÆÄ¿ÆëÈ«,¿É+¼± +3 w89i99eaeh 2026-02-22 4/200 2026-02-23 06:36 by w4l55oybr1
[²©ºóÖ®¼Ò] ÊÛSCIÒ»ÇøÎÄÕ£¬ÎÒ:8 O5 51O 54,¿ÆÄ¿ÆëÈ«,¿É+¼± +4 khieu8v8m0 2026-02-22 5/250 2026-02-23 06:34 by w4l55oybr1
[¹«Åɳö¹ú] ÊÛSCIÒ»ÇøÎÄÕ£¬ÎÒ:8 O5 51O 54,¿ÆÄ¿ÆëÈ«,¿É+¼± +3 khieu8v8m0 2026-02-22 5/250 2026-02-23 06:29 by w4l55oybr1
[²©ºóÖ®¼Ò] ÊÛSCIÒ»ÇøÎÄÕ£¬ÎÒ:8 O5 51O 54,¿ÆÄ¿ÆëÈ«,¿É+¼± +6 3dfhjxgsh7 2026-02-22 8/400 2026-02-23 06:21 by w4l55oybr1
[¿¼ÑÐ] ÊÛSCIÒ»ÇøÎÄÕ£¬ÎÒ:8 O5 51O 54,¿ÆÄ¿ÆëÈ«,¿É+¼± +4 usprnugpzw 2026-02-21 10/500 2026-02-23 04:58 by 5jlh3qtdvx
[¿¼²©] ÊÛSCIÒ»ÇøÎÄÕ£¬ÎÒ:8 O5 51O 54,¿ÆÄ¿ÆëÈ«,¿É+¼± +5 3dfhjxgsh7 2026-02-22 6/300 2026-02-23 02:04 by 5jlh3qtdvx
[½Ìʦ֮¼Ò] °æÃæ·Ñ¸Ã½»Âð +7 Æ»¹ûÔÚÄÄÀï 2026-02-22 8/400 2026-02-22 22:37 by otani
[»ù½ðÉêÇë] »ù½ðÕýÎÄ30Ò³Ö¸µÄÊDZ¨¸æÕýÎÄ»¹ÊÇÕû¸öÉêÇëÊé +5 successhe 2026-02-16 6/300 2026-02-22 21:38 by ɽÎ÷Ðü¿ÕË¿ÕÐüÎ
[»ù½ðÉêÇë] ÃæÉÏ¿ÉÒÔ³¬¹ý30Ò³°É£¿ +4 °¢À­¹±aragon 2026-02-22 4/200 2026-02-22 21:22 by ɽÎ÷Ðü¿ÕË¿ÕÐüÎ
[½Ìʦ֮¼Ò] ΪʲôÖйú´óѧ½ÌÊÚÃÇË®ÁËÄÇô¶àËùνµÄ¶¥»á¶¥¿¯£¬µ«»¹ÊÇ×ö²»³öÓîÊ÷»úÆ÷ÈË£¿ +5 »¶ÀÖËÌÒ¶Ýè 2026-02-21 5/250 2026-02-22 21:15 by ɽÎ÷Ðü¿ÕË¿ÕÐüÎ
[ÂÛÎÄͶ¸å] ÊÛSCIÒ»ÇøÎÄÕ£¬ÎÒ:8 O5 51O 54,¿ÆÄ¿ÆëÈ«,¿É+¼± +4 usprnugpzw 2026-02-21 6/300 2026-02-22 19:48 by w89i99eaeh
[¿¼ÑÐ] ÊÛSCIÒ»ÇøÎÄÕ£¬ÎÒ:8 O5 51O 54,¿ÆÄ¿ÆëÈ«,¿É+¼± +3 3dfhjxgsh7 2026-02-22 4/200 2026-02-22 16:52 by khieu8v8m0
[ÕÒ¹¤×÷] ÊÛSCIÒ»ÇøÎÄÕ£¬ÎÒ:8 O5 51O 54,¿ÆÄ¿ÆëÈ«,¿É+¼± +3 usprnugpzw 2026-02-22 3/150 2026-02-22 16:37 by khieu8v8m0
[¹«Åɳö¹ú] ÊÛSCIÒ»ÇøÎÄÕ£¬ÎÒ:8 O5 51O 54,¿ÆÄ¿ÆëÈ«,¿É+¼± +3 usprnugpzw 2026-02-21 4/200 2026-02-22 16:27 by khieu8v8m0
[»ù½ðÉêÇë] ¡°ÈËÎÄÉç¿Æ¶øÂÛ£¬Ðí¶àѧÊõÑо¿»¹Ã»ÓдﵽÃñ¹úʱÆÚµÄˮƽ¡± +4 ËÕ¶«ÆÂ¶þÊÀ 2026-02-18 5/250 2026-02-22 16:07 by liangep1573
[»ù½ðÉêÇë] ʲôÊÇÈËÒ»Éú×îÖØÒªµÄ£¿ +4 ˲ϢÓîÖæ 2026-02-21 4/200 2026-02-22 11:44 by huagongfeihu
[»ù½ðÉêÇë] ½ñÄê´ºÍíÓм¸¸ö½ÚÄ¿ºÜ²»´í£¬µãÔÞ£¡ +11 ˲ϢÓîÖæ 2026-02-16 12/600 2026-02-21 21:14 by lq493392203
[»ù½ðÉêÇë] ÌåÖÆÄÚ³¤±²ËµÌåÖÆÄÚ¾ø´ó²¿·ÖÒ»±²×ÓÔڵײ㣬ÈçͬÄãÃÇÒ»Ñù´ó²¿·ÖÆÕͨ½ÌʦæÇÒÊÕÈëµÍ +9 ˲ϢÓîÖæ 2026-02-20 12/600 2026-02-21 10:39 by »¶ÀÖËÌÒ¶Ýè
ÐÅÏ¢Ìáʾ
ÇëÌî´¦ÀíÒâ¼û