| 查看: 528 | 回复: 0 | ||
根号二新虫 (正式写手)
|
[求助]
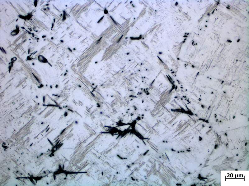
请问这几张钛合金的相图做的怎么样,请问此图有啥问题吗?
|
|
这几张金相图有啥问题吗,可以在文章中使用吗?图中隐约可见的晶界是没有腐蚀出来的吗?但清楚的晶界都已经腐蚀有点过了,如何解决该问题?求指点一二,非常感谢。 1-2s-3,1,1.jpg 2-2s-3,1,1.jpg 3-2s-3,1,1.jpg 4-3s-3,1,1.jpg |
» 猜你喜欢
0831生医工第一轮调剂失败求助
已经有17人回复
291求调剂
已经有11人回复
297,工科调剂?河南农业大学本科
已经有14人回复
0854求调剂
已经有20人回复
26药学专硕105500求调剂
已经有7人回复
一志愿华中农业071010,320求调剂
已经有15人回复
2026 WR青拔
已经有7人回复
一志愿中科大材料与化工,353分还有调剂学校吗
已经有9人回复
271求调剂
已经有37人回复
申博自荐
已经有3人回复

找到一些相关的精华帖子,希望有用哦~
如何观察和确定合金中的某种元素的分布?
已经有5人回复
请教镁锰金合金相问题
已经有5人回复
求钛合金金相高手帮我看看我这个金相图有什么问题!
已经有7人回复
谁有TC4钛合金的相图啊,或者用相图计算软件给我算一下也行啊
已经有6人回复
科研从小木虫开始,人人为我,我为人人













回复此楼
点击这里搜索更多相关资源
20