| 查看: 3437 | 回复: 1 | ||
[求助]
matlab小波工具箱分解后的系数和各节点对应的波形怎么生成数据并导入到Origin中画图? 已有1人参与
|
|
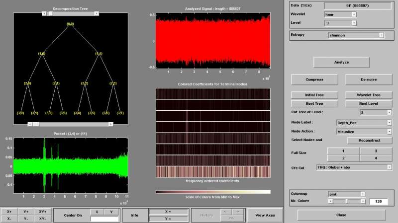
这个图是用matlab小波工具箱,进行一维小波包分解之后的样子,有这么么几个问题: (1)Node Action Result,左下角那张图,表示该节点的内容,是否表示利用分解后的小波系数重构的该频带内的信号波形图? (2)小波包分解后每层的低频系数和高频系数与每个节点的重构信号是什么关系? (3)怎么将小波包分解后每个节点对应的不同频带内的波形图导出成数据并在origin里边画图? 谢谢啦 |
» 猜你喜欢
依托企业入选了国家启明计划青年人才。有无高校可以引进的。
已经有5人回复
依托企业入选了国家启明计划青年人才。有无高校可以引进的。
已经有10人回复
天津大学招2026.09的博士生,欢迎大家推荐交流(博导是本人)
已经有9人回复
有院领导为了换新车,用横向课题经费买了俩车
已经有10人回复
同年申请2项不同项目,第1个项目里不写第2个项目的信息,可以吗
已经有5人回复
遇见不省心的家人很难过
已经有24人回复
AI 太可怕了,写基金时,提出想法,直接生成的文字比自己想得深远,还有科学性
已经有6人回复
酰胺脱乙酰基
已经有13人回复
有时候真觉得大城市人没有县城人甚至个体户幸福
已经有10人回复
» 本主题相关价值贴推荐,对您同样有帮助:
压缩感知中,对图像进行小波域稀疏,这个稀疏基怎么获得?
已经有10人回复
怎么学习小波分析
已经有15人回复
怎么用MATLAB生成一个三维的Shepp-Logan头骨模型并保存下来,谢谢了
已经有5人回复
【求助】请教各位大牛,如何把一个时域信号波形进行时频分析,看它的时频图?
已经有3人回复


2楼2015-04-14 09:25:23













回复此楼