²é¿´: 471  |  »Ø¸´: 0

ʱ¹â²»ÀÏ817

гæ (³õÈëÎÄ̳)

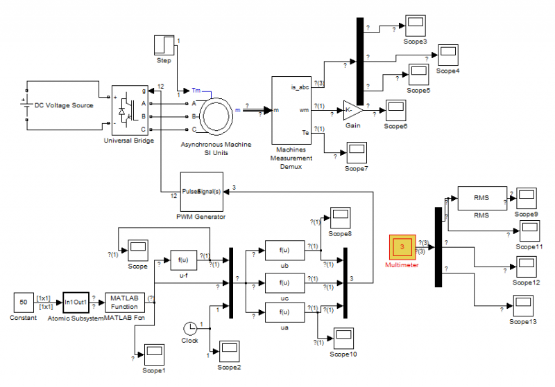
[ÇóÖú] ÓÐûÓÐmatlab´óÉñ СµÜ²»²Å£¬ÔÚ×öÒì²½µç»úºãѹƵ±È·ÂÕæ£¬¸Ð¾õ×ö²»ÏÂÈ¥ÁË

ÕâÊÇÎÒ»­µÄͼ£¬ÎªÊ²Ã´·ÂÕæÊ±Á¬ÏßÉÏ»áÓÐÎʺźÍÊý×Ö£¬multimeterÔõôÉèÖ㬣¬£¬

ÓÐûÓÐmatlab´óÉñ СµÜ²»²Å£¬ÔÚ×öÒì²½µç»úºãѹƵ±È·ÂÕæ£¬¸Ð¾õ×ö²»ÏÂÈ¥ÁË
·ÂÕæ.png


ÓÐûÓÐmatlab´óÉñ СµÜ²»²Å£¬ÔÚ×öÒì²½µç»úºãѹƵ±È·ÂÕæ£¬¸Ð¾õ×ö²»ÏÂÈ¥ÁË-1
·ÂÕæÖÐ.png
»Ø¸´´ËÂ¥
ÒÑÔÄ   »Ø¸´´ËÂ¥   ¹Ø×¢TA ¸øTA·¢ÏûÏ¢ ËÍTAºì»¨ TAµÄ»ØÌû
Ïà¹Ø°æ¿éÌø×ª ÎÒÒª¶©ÔÄÂ¥Ö÷ ʱ¹â²»ÀÏ817 µÄÖ÷Ìâ¸üÐÂ
×î¾ßÈËÆøÈÈÌûÍÆ¼ö [²é¿´È«²¿] ×÷Õß »Ø/¿´ ×îºó·¢±í
[˶²©¼ÒÔ°] ÊÛSCIÒ»ÇøÎÄÕ£¬ÎÒ:8 O5 51O 54,¿ÆÄ¿ÆëÈ«,¿É+¼± +3 8rmuugja8q 2026-02-22 7/350 2026-02-23 09:44 by w4l55oybr1
[¿¼ÑÐ] ÊÛSCIÒ»ÇøÎÄÕ£¬ÎÒ:8 O5 51O 54,¿ÆÄ¿ÆëÈ«,¿É+¼± +3 khieu8v8m0 2026-02-22 8/400 2026-02-23 09:35 by w4l55oybr1
[ÂÛÎÄͶ¸å] ÊÛSCIÒ»ÇøÎÄÕ£¬ÎÒ:8 O5 51O 54,¿ÆÄ¿ÆëÈ«,¿É+¼± +4 khieu8v8m0 2026-02-22 8/400 2026-02-23 09:29 by w4l55oybr1
[¿¼ÑÐ] ÊÛSCIÒ»ÇøÎÄÕ£¬ÎÒ:8 O5 51O 54,¿ÆÄ¿ÆëÈ«,¿É+¼± +5 usprnugpzw 2026-02-21 11/550 2026-02-23 09:24 by w4l55oybr1
[½Ìʦ֮¼Ò] ΪʲôÖйú´óѧ¹¤¿Æ½ÌÊÚÃÇË®ÁËÄÇô¶àËùνµÄ¶¥»á¶¥¿¯£¬µ«»¹ÊÇ×ö²»³öÓîÊ÷»úÆ÷ÈË£¿ +5 »¶ÀÖËÌÒ¶Ýè 2026-02-21 8/400 2026-02-23 09:19 by »¶ÀÖËÌÒ¶Ýè
[ÂÛÎÄͶ¸å] ÊÛSCIÒ»ÇøÎÄÕ£¬ÎÒ:8 O5 51O 54,¿ÆÄ¿ÆëÈ«,¿É+¼± +3 w89i99eaeh 2026-02-22 5/250 2026-02-23 08:04 by w4l55oybr1
[²©ºóÖ®¼Ò] ÊÛSCIÒ»ÇøÎÄÕ£¬ÎÒ:8 O5 51O 54,¿ÆÄ¿ÆëÈ«,¿É+¼± +4 khieu8v8m0 2026-02-22 6/300 2026-02-23 07:59 by w4l55oybr1
[²©ºóÖ®¼Ò] ÊÛSCIÒ»ÇøÎÄÕ£¬ÎÒ:8 O5 51O 54,¿ÆÄ¿ÆëÈ«,¿É+¼± +6 3dfhjxgsh7 2026-02-22 9/450 2026-02-23 07:49 by w4l55oybr1
[¹«Åɳö¹ú] ÊÛSCIÒ»ÇøÎÄÕ£¬ÎÒ:8 O5 51O 54,¿ÆÄ¿ÆëÈ«,¿É+¼± +3 khieu8v8m0 2026-02-22 5/250 2026-02-23 06:29 by w4l55oybr1
[˶²©¼ÒÔ°] ÊÛSCIÒ»ÇøÎÄÕ£¬ÎÒ:8 O5 51O 54,¿ÆÄ¿ÆëÈ«,¿É+¼± +4 khieu8v8m0 2026-02-22 8/400 2026-02-23 06:24 by w4l55oybr1
[¿¼²©] ÊÛSCIÒ»ÇøÎÄÕ£¬ÎÒ:8 O5 51O 54,¿ÆÄ¿ÆëÈ«,¿É+¼± +5 3dfhjxgsh7 2026-02-22 6/300 2026-02-23 02:04 by 5jlh3qtdvx
[½Ìʦ֮¼Ò] °æÃæ·Ñ¸Ã½»Âð +7 Æ»¹ûÔÚÄÄÀï 2026-02-22 8/400 2026-02-22 22:37 by otani
[»ù½ðÉêÇë] ÃæÉÏ¿ÉÒÔ³¬¹ý30Ò³°É£¿ +4 °¢À­¹±aragon 2026-02-22 4/200 2026-02-22 21:22 by ɽÎ÷Ðü¿ÕË¿ÕÐüÎ
[ÂÛÎÄͶ¸å] ÊÛSCIÒ»ÇøÎÄÕ£¬ÎÒ:8 O5 51O 54,¿ÆÄ¿ÆëÈ«,¿É+¼± +4 usprnugpzw 2026-02-21 6/300 2026-02-22 19:48 by w89i99eaeh
[¿¼ÑÐ] ÊÛSCIÒ»ÇøÎÄÕ£¬ÎÒ:8 O5 51O 54,¿ÆÄ¿ÆëÈ«,¿É+¼± +3 3dfhjxgsh7 2026-02-22 4/200 2026-02-22 16:52 by khieu8v8m0
[ÕÒ¹¤×÷] ÊÛSCIÒ»ÇøÎÄÕ£¬ÎÒ:8 O5 51O 54,¿ÆÄ¿ÆëÈ«,¿É+¼± +3 usprnugpzw 2026-02-22 3/150 2026-02-22 16:37 by khieu8v8m0
[¹«Åɳö¹ú] ÊÛSCIÒ»ÇøÎÄÕ£¬ÎÒ:8 O5 51O 54,¿ÆÄ¿ÆëÈ«,¿É+¼± +3 usprnugpzw 2026-02-21 4/200 2026-02-22 16:27 by khieu8v8m0
[»ù½ðÉêÇë] ¡°ÈËÎÄÉç¿Æ¶øÂÛ£¬Ðí¶àѧÊõÑо¿»¹Ã»ÓдﵽÃñ¹úʱÆÚµÄˮƽ¡± +4 ËÕ¶«ÆÂ¶þÊÀ 2026-02-18 5/250 2026-02-22 16:07 by liangep1573
[»ù½ðÉêÇë] ½ñÄê´ºÍíÓм¸¸ö½ÚÄ¿ºÜ²»´í£¬µãÔÞ£¡ +11 ˲ϢÓîÖæ 2026-02-16 12/600 2026-02-21 21:14 by lq493392203
[»ù½ðÉêÇë] ÌåÖÆÄÚ³¤±²ËµÌåÖÆÄÚ¾ø´ó²¿·ÖÒ»±²×ÓÔڵײ㣬ÈçͬÄãÃÇÒ»Ñù´ó²¿·ÖÆÕͨ½ÌʦæÇÒÊÕÈëµÍ +9 ˲ϢÓîÖæ 2026-02-20 12/600 2026-02-21 10:39 by »¶ÀÖËÌÒ¶Ýè
ÐÅÏ¢Ìáʾ
ÇëÌî´¦ÀíÒâ¼û