| 查看: 843 | 回复: 8 | |||
[求助]
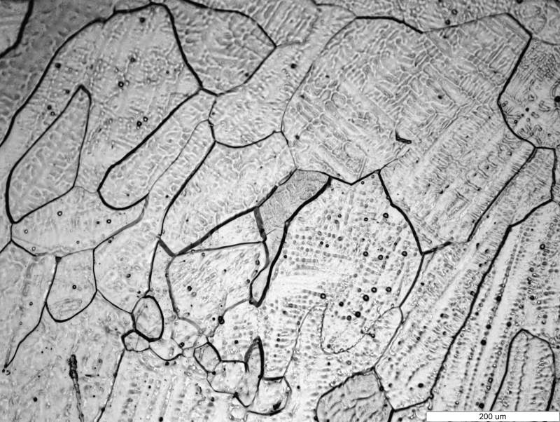
是否是枝晶 已有4人参与
|
|||
![]() |
|||
|
|
|||
engle028至尊木虫 (知名作家)
脚踏实地
|
|||
![]() |
|||
|
2楼2015-03-19 21:27:23
|
|
||
![]() |
|||
|
3楼2015-03-20 10:42:33
|
|
||
engle028至尊木虫 (知名作家)
脚踏实地
|
|||
![]() |
|||
|
4楼2015-03-20 11:27:22
|
|
||
lovelotuss铜虫 (正式写手)
|
|||
![]() |
|||
|
5楼2015-03-20 11:36:28
|
|
||
周裕城heu木虫 (正式写手)
|
|||
![]() |
|||
|
6楼2015-03-20 19:19:56
|
|
||
zbhwel专家顾问 (知名作家)
|
|||
![]() |
|||
|
7楼2015-03-21 08:34:35
|
|
||
![]() |
|||
|
8楼2015-03-21 13:33:56
|
|
||
zbhwel专家顾问 (知名作家)
|
|||
![]() |
|||
|
9楼2015-03-21 16:56:12
|
|














回复此楼
