| 查看: 1510 | 回复: 12 | ||
liuxia2009铁杆木虫 (著名写手)
拖拖踏踏的懒人!
|
[求助]
TiC(0.7-0.95) 高温下与碳会发生反应吗? 已有1人参与
|
|
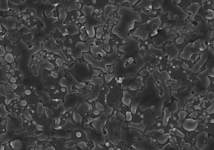
TiC(0.7-0.95) 在高温1500℃下与碳会发生反应吗?这将会对显微结构产生怎样的影响?加碳后发现在相同的温度下晶粒变得不规则,为什么会这样?希望做碳化钛相关工作的高手能够帮忙解疑答惑,不胜感激!! 复合.jpg 纯相.jpg |
» 猜你喜欢
学院官方群-院士团队招生-学生自由度高-培养模式成熟已有10余名学生赴985海外深造
已经有0人回复
武汉纺织大学化工学院官方群-院士团队招生-学生自由度高-10余名学生赴985海外深造
已经有0人回复
无机化学论文润色/翻译怎么收费?
已经有161人回复
南昌航空大学蒋华麟教授课题组招收化学、环境、碳达峰碳中和及相关专业硕士信息
已经有0人回复
湖北师范大学复试调剂
已经有0人回复
武汉纺织大学_化工学院官方调剂群-院士团队招生-学生自由度高-每届发展好
已经有0人回复
河北大学材料与化工专业研究生(专硕)招收调剂生
已经有0人回复
河北大学无机化学专业招收调剂生
已经有0人回复
济南大学国家优青课题组 2026 调剂招生来啦
已经有0人回复
武汉纺织大学_化学院官方调剂群-院士团队招生-学生自由度高发展好-欢迎各位同学
已经有0人回复
» 本主题相关价值贴推荐,对您同样有帮助:
金可以和盐酸在高温下反应吗
已经有5人回复
求问葡萄糖和硫酸根在高温下反应吗?怎么反应呢?
已经有4人回复
MgBr2和CaBr2高温下是否可以被氧化
已经有9人回复
甲基硅油高温下会发生的反应
已经有5人回复
高温反应釜哪家好
已经有9人回复
l硫化氢和碳在高温下反应吗?
已经有4人回复
氧化钙在高温下能与氯化物反应吗?
已经有5人回复
高温下能与碳反应的金属氧化物
已经有11人回复
氧化铈和二氧化硅的高温加热反应
已经有3人回复
高温下,钛合金和氮化硼反应程度如何?
已经有3人回复
金属镁与碳在高温下会发生反应吗?
已经有7人回复
ZrO2与SiO2高温反应吗?与Al2O3呢?
已经有11人回复
高温水热反应用无水乙醇做溶剂是否有危险
已经有6人回复
氧化硼在高温下能与氧化铝瓷舟的反应问题
已经有22人回复
强碱高温反应后烧瓶和冷凝管的接口无法分开
已经有26人回复
高温固相法的反应环境
已经有4人回复
很多化学反应的反应温度都分高温 室温 两部分,为什么?
已经有3人回复
【求助】镁粉与镍粉高温下会反应吗?
已经有8人回复
【求助】氧化铝和氟化钠高温下是否反应(热电偶相关)
已经有4人回复
【求助】氯化钠和石英坩埚高温下反应吗
已经有10人回复
【求助】四氧化三铁高温下氧化为氧化铁是吸热反应吗?
已经有11人回复
【交流】石墨与氢气在高温下是否会发生反应
已经有3人回复
【求助】急!!板刚玉和硅微粉在高温下反应吗?
已经有17人回复

liuxia2009
铁杆木虫 (著名写手)
拖拖踏踏的懒人!
- 应助: 13 (小学生)
- 金币: 6104
- 散金: 136
- 红花: 8
- 帖子: 2369
- 在线: 344.6小时
- 虫号: 1050833
- 注册: 2010-07-02
- 性别: MM
- 专业: 结构陶瓷

2楼2015-03-08 11:56:11
ywzhao227
金虫 (小有名气)
- 应助: 9 (幼儿园)
- 金币: 2438
- 散金: 5
- 帖子: 138
- 在线: 55.2小时
- 虫号: 188651
- 注册: 2006-02-18
- 性别: GG
- 专业: 结构陶瓷
3楼2015-03-08 22:29:55
liuxia2009
铁杆木虫 (著名写手)
拖拖踏踏的懒人!
- 应助: 13 (小学生)
- 金币: 6104
- 散金: 136
- 红花: 8
- 帖子: 2369
- 在线: 344.6小时
- 虫号: 1050833
- 注册: 2010-07-02
- 性别: MM
- 专业: 结构陶瓷

4楼2015-03-09 10:41:00
ywzhao227
金虫 (小有名气)
- 应助: 9 (幼儿园)
- 金币: 2438
- 散金: 5
- 帖子: 138
- 在线: 55.2小时
- 虫号: 188651
- 注册: 2006-02-18
- 性别: GG
- 专业: 结构陶瓷
5楼2015-03-09 14:21:11
liuxia2009
铁杆木虫 (著名写手)
拖拖踏踏的懒人!
- 应助: 13 (小学生)
- 金币: 6104
- 散金: 136
- 红花: 8
- 帖子: 2369
- 在线: 344.6小时
- 虫号: 1050833
- 注册: 2010-07-02
- 性别: MM
- 专业: 结构陶瓷

6楼2015-03-09 14:48:46
ywzhao227
金虫 (小有名气)
- 应助: 9 (幼儿园)
- 金币: 2438
- 散金: 5
- 帖子: 138
- 在线: 55.2小时
- 虫号: 188651
- 注册: 2006-02-18
- 性别: GG
- 专业: 结构陶瓷
7楼2015-03-09 15:03:20
liuxia2009
铁杆木虫 (著名写手)
拖拖踏踏的懒人!
- 应助: 13 (小学生)
- 金币: 6104
- 散金: 136
- 红花: 8
- 帖子: 2369
- 在线: 344.6小时
- 虫号: 1050833
- 注册: 2010-07-02
- 性别: MM
- 专业: 结构陶瓷

8楼2015-03-09 15:04:11
ywzhao227
金虫 (小有名气)
- 应助: 9 (幼儿园)
- 金币: 2438
- 散金: 5
- 帖子: 138
- 在线: 55.2小时
- 虫号: 188651
- 注册: 2006-02-18
- 性别: GG
- 专业: 结构陶瓷
9楼2015-03-09 15:06:31
liuxia2009
铁杆木虫 (著名写手)
拖拖踏踏的懒人!
- 应助: 13 (小学生)
- 金币: 6104
- 散金: 136
- 红花: 8
- 帖子: 2369
- 在线: 344.6小时
- 虫号: 1050833
- 注册: 2010-07-02
- 性别: MM
- 专业: 结构陶瓷

10楼2015-03-09 15:06:52














回复此楼
5