| ²é¿´: 1483 | »Ø¸´: 7 | ||
sifateͳæ (СÓÐÃûÆø)
|
[ÇóÖú]
Çë´óÉñ°ïæ¿´¿´37Mn5µÄ½ðÏàͼ ÒÑÓÐ4È˲ÎÓë
|
|
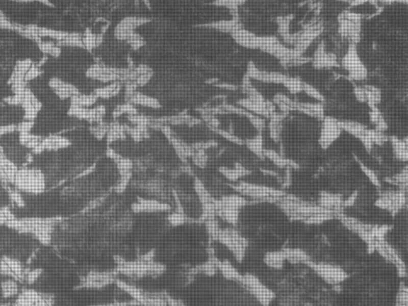
¹«Ë¾ÔþÖÆÁËÒ»Åú¹Ü×Ó£¬Å÷ÁϽðÏà×éÖ¯ÓëÔþÖÆºóµÄ½ðÏà×éÖ¯£¬×éÖ¯²»ºÃ£¬Çë½ÌÈçºÎ½â¾ö£» Çë´óÉñÄܹ»¾¡Á¿Ïêϸµã½âÊÍͼÖÐ×éÖ¯¡£ ¹òÇó´óÉñ£¡ Å÷ÁÏÐIJ¿×éÖ¯.jpg ³ÉÆ·ÐIJ¿×éÖ¯.jpg |
» ²ÂÄãϲ»¶
Ò»Ö¾Ô¸»ªÄÏʦ·¶´óѧ0702ÎïÀíѧ305µ÷¼Á
ÒѾÓÐ5È˻ظ´
Çóµ÷¼Á
ÒѾÓÐ30È˻ظ´
266Çóµ÷¼Á
ÒѾÓÐ10È˻ظ´
297Çóµ÷¼Á
ÒѾÓÐ16È˻ظ´
326·Ö£¬Ò»Ö¾Ô¸»¦9£¬ÇóÉúÎïѧµ÷¼Á
ÒѾÓÐ4È˻ظ´
288Çóµ÷¼Á£¬Ò»Ö¾Ô¸»ªÄÏÀí¹¤´óѧ071005
ÒѾÓÐ3È˻ظ´
304Çóµ÷¼Á
ÒѾÓÐ13È˻ظ´
µ÷¼Á
ÒѾÓÐ18È˻ظ´
293µ÷¼Á
ÒѾÓÐ4È˻ظ´
338Çóµ÷¼Á
ÒѾÓÐ7È˻ظ´
pals2855
Òø³æ (ÕýʽдÊÖ)
- Ó¦Öú: 48 (СѧÉú)
- ½ð±Ò: 166.6
- É¢½ð: 286
- ºì»¨: 5
- Ìû×Ó: 925
- ÔÚÏß: 160.9Сʱ
- ³æºÅ: 597237
- ×¢²á: 2008-09-09
- ÐÔ±ð: GG
- רҵ: ½ðÊô²ÄÁϱíÃæ¿ÆÑ§Ó빤³Ì
¡¾´ð°¸¡¿Ó¦Öú»ØÌû
¡ï ¡ï ¡ï ¡ï ¡ï
¸Ðл²ÎÓ룬ӦÖúÖ¸Êý +1
sifate: ½ð±Ò+5, ¡ï¡ï¡ïºÜÓаïÖú, ÄÜ·ñÔÚÏêϸµã°ïÎÒÖ¸³öһϠ2015-01-23 08:41:19
¸Ðл²ÎÓ룬ӦÖúÖ¸Êý +1
sifate: ½ð±Ò+5, ¡ï¡ï¡ïºÜÓаïÖú, ÄÜ·ñÔÚÏêϸµã°ïÎÒÖ¸³öһϠ2015-01-23 08:41:19
|
Å÷ÁÏ×éÖ¯²»ºÃ£¬³ÉÆ·¾Í²»ÓÃ˵ÁË¡£ Ã²ËÆÔÚÅ÷ÁÏÖгöÏÖÁËκÊÏ×éÖ¯£¬F×éÖ¯´Ö´óÇÒ³ÉÌõ×´¡£×îºÃÏÈÕý»ðϸ»¯¾§Á£¡£ |

2Â¥2015-01-22 22:53:14
ruirui4598
ľ³æ (ÕýʽдÊÖ)
- Ó¦Öú: 49 (СѧÉú)
- ½ð±Ò: 3991.6
- ºì»¨: 11
- Ìû×Ó: 357
- ÔÚÏß: 32.2Сʱ
- ³æºÅ: 3602302
- ×¢²á: 2014-12-19
- רҵ: ½ðÊô²ÄÁϵÄ΢¹Û½á¹¹
¡¾´ð°¸¡¿Ó¦Öú»ØÌû
|
37Mn5ÈçÊÇÔúÖÆµÄÓ¦¸ÃÊÇÌúËØÌå+Öé¹âÌå¡£ ºÚɫΪÖé¹âÌ壬°×ɫΪÌúËØÌå¡£ ÊÇ·ñÅÄ100xͼƬ£¬ÇåÎúµÄ¡£ ÎÒ²»Í¬µÄ¸ÖÖÖ¶¼Ä̵ܽġ£ |
3Â¥2015-01-28 06:56:02
single7194
ľ³æ (ÕýʽдÊÖ)
- Ó¦Öú: 66 (³õÖÐÉú)
- ½ð±Ò: 3578.7
- É¢½ð: 676
- ºì»¨: 6
- Ìû×Ó: 465
- ÔÚÏß: 113.8Сʱ
- ³æºÅ: 1491108
- ×¢²á: 2011-11-14
- ÐÔ±ð: GG
- רҵ: ¸ÖÌúÒ±½ð
¡¾´ð°¸¡¿Ó¦Öú»ØÌû
|
Å÷ÁÏ×éÖ¯ÖÐÍø×´ÌúËØÌå¿ÉÄÜÊÇÀäÈ´ËٶȵÍÐγɵÄÏȹ²ÎöÌúËØÌ壬»³ÒÉ¿ÕÀäÌõ¼þϵõ½µÄ¡£ ÔþÖÆºó¸Ð¾õÌúËØÌåûÓÐÍêÈ«Ïû³ýÍø×´½á¹¹£¬ÊÇ·ñ±äÐÎÁ¿½ÏС£¿¸Ð¾õÄãµÄÁ¦Ñ§³ÉÆ·ÐÔÄÜÓ¦¸Ã±È½ÏµÍ¡£Èç¹û×éÖ¯ÖеÄÌúËØÌåºÍÖé¹âÌå³ß´ç¶¼±È½Ï´óµÄ»°£¬¿ÉÄܻᵼÖÂÐÔÄܸü²î¡£ ½¨ÒéÔþÖÆÇ°¾ùÔÈ»¯´¦Àí£¬»òÕßÔö¼Ó±äÐÎÁ¿²¢¿ØÖÆÀäÈ´ºÍ»Ø»ð¡£ |

4Â¥2015-02-09 11:43:43
sifate
ͳæ (СÓÐÃûÆø)
- Ó¦Öú: 7 (Ó×¶ùÔ°)
- ½ð±Ò: 146.2
- É¢½ð: 95
- ºì»¨: 1
- Ìû×Ó: 132
- ÔÚÏß: 20.7Сʱ
- ³æºÅ: 3497832
- ×¢²á: 2014-10-25
- רҵ: ½ðÊô¹¦ÄܲÄÁÏ
5Â¥2015-02-09 16:44:16
sifate
ͳæ (СÓÐÃûÆø)
- Ó¦Öú: 7 (Ó×¶ùÔ°)
- ½ð±Ò: 146.2
- É¢½ð: 95
- ºì»¨: 1
- Ìû×Ó: 132
- ÔÚÏß: 20.7Сʱ
- ³æºÅ: 3497832
- ×¢²á: 2014-10-25
- רҵ: ½ðÊô¹¦ÄܲÄÁÏ
6Â¥2015-02-09 16:46:05
ruirui4598
ľ³æ (ÕýʽдÊÖ)
- Ó¦Öú: 49 (СѧÉú)
- ½ð±Ò: 3991.6
- ºì»¨: 11
- Ìû×Ó: 357
- ÔÚÏß: 32.2Сʱ
- ³æºÅ: 3602302
- ×¢²á: 2014-12-19
- רҵ: ½ðÊô²ÄÁϵÄ΢¹Û½á¹¹
7Â¥2015-02-10 06:20:07
nwpu_ranger
ľ³æ (ÕýʽдÊÖ)
ÌúѪ´¨¾üÍÅ
- MM-EPI: 1
- Ó¦Öú: 19 (СѧÉú)
- ¹ó±ö: 0.084
- ½ð±Ò: 3956.7
- É¢½ð: 42
- ºì»¨: 7
- Ìû×Ó: 623
- ÔÚÏß: 107.7Сʱ
- ³æºÅ: 515556
- ×¢²á: 2008-03-01
- ÐÔ±ð: GG
- רҵ: ½ðÊô²ÄÁϵÄ΢¹Û½á¹¹

8Â¥2015-02-10 09:30:07














»Ø¸´´ËÂ¥