| 查看: 4005 | 回复: 11 | |||
[交流]
Thermo Xcalibur Qual Browser显示不了质谱图 已有4人参与
|
|||
|
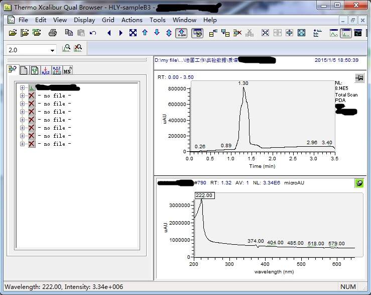
第一次用Qual Browser,什么都不会。用Qual Browser打开我的LC-MS数据后,点色谱图后下面显示的不是该点的质谱图而是一个不知道是什么的光谱图,求教如何显示质谱图。 只有两个金币只能发交流贴,抱歉。 |
» 猜你喜欢
材料复试求调剂
已经有24人回复
材料相关专业344求调剂双非工科学校或课题组
已经有14人回复
327求调剂
已经有11人回复
288求调剂,一志愿华南理工大学071005
已经有20人回复
有没有学校材料专业收跨调(一志愿085410)
已经有16人回复
各位老师好,求调剂,本科211,一志愿天津大学生物与医药学硕,差两名录取。
已经有5人回复
化工学硕294分,求导师收留
已经有23人回复
271求调剂
已经有34人回复
297求调剂
已经有23人回复
材料工程281还有调剂机会吗
已经有33人回复
» 本主题相关价值贴推荐,对您同样有帮助:
有机菜鸟,对质谱不太了解,刚做的质谱图,求大神帮忙解析
已经有9人回复
thermo 液质联用的Xcalibur软件的操作问题
已经有6人回复
archbishop
禁虫 (职业作家)
- ACI: 2
- 应助: 190 (高中生)
- 贵宾: 3.213
- 金币: 13682.5
- 散金: 5394
- 红花: 150
- 沙发: 5
- 帖子: 4552
- 在线: 1148.3小时
- 虫号: 792812
- 注册: 2009-06-12
- 性别: GG
- 专业: 色谱分析
- 管辖: 分析

2楼2015-01-06 23:22:37
archbishop
禁虫 (职业作家)
- ACI: 2
- 应助: 190 (高中生)
- 贵宾: 3.213
- 金币: 13682.5
- 散金: 5394
- 红花: 150
- 沙发: 5
- 帖子: 4552
- 在线: 1148.3小时
- 虫号: 792812
- 注册: 2009-06-12
- 性别: GG
- 专业: 色谱分析
- 管辖: 分析

6楼2015-01-06 23:59:44
5楼2015-01-06 23:59:24
9楼2017-10-19 15:34:55
10楼2018-06-27 10:33:46
3楼2015-01-06 23:37:16
4楼2015-01-06 23:43:01
7楼2015-01-07 00:05:01
8楼2017-10-19 15:22:27














回复此楼
492926613