| 查看: 3624 | 回复: 14 | |||
[求助]
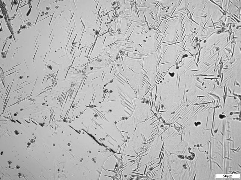
纯锌的金相组织,是滑移带还是孪晶组织? 已有4人参与
|
百宝箱 |
» 猜你喜欢
317求调剂
已经有18人回复
293求调剂
已经有5人回复
280分求调剂 一志愿085802
已经有7人回复
0854电子信息求调剂
已经有3人回复
263求调剂
已经有4人回复
石河子大学(211、双一流)硕博研究生长期招生公告
已经有3人回复
一志愿西安交通大学材料工程专业 282分求调剂
已经有13人回复
北科281学硕材料求调剂
已经有6人回复
328求调剂,英语六级551,有科研经历
已经有10人回复
298求调剂
已经有6人回复
» 本主题相关价值贴推荐,对您同样有帮助:
过共晶铝硅合金金相组织实验,抛了好久还是看不到共晶硅组织。替我分忧者重重有赏哈
已经有11人回复
众大神帮我看一下这个金相照片里面那些密密麻麻的细黑线是什么?是滑移还是孪晶
已经有12人回复
1306256567
木虫 (小有名气)
- 应助: 22 (小学生)
- 金币: 2405.9
- 散金: 37
- 红花: 4
- 帖子: 184
- 在线: 153.8小时
- 虫号: 2174350
- 注册: 2012-12-08
- 性别: GG
- 专业: 金属材料的合金相、相变及

2楼2014-11-18 15:21:48
lehigh_73
金虫 (著名写手)
- 应助: 173 (高中生)
- 金币: 1234.8
- 红花: 11
- 帖子: 1108
- 在线: 312.2小时
- 虫号: 233382
- 注册: 2006-03-29
- 性别: GG
- 专业: 金属结构材料
3楼2014-11-18 15:52:54
zbhwel
专家顾问 (知名作家)
-

专家经验: +782 - MM-EPI: 7
- 应助: 1730 (讲师)
- 贵宾: 0.259
- 金币: 23020.1
- 散金: 1738
- 红花: 272
- 沙发: 22
- 帖子: 5201
- 在线: 1050.9小时
- 虫号: 2249580
- 注册: 2013-01-19
- 性别: GG
- 专业: 金属结构材料
- 管辖: 材料工程

4楼2014-11-18 17:15:58
5楼2014-11-19 09:51:03
lehigh_73
金虫 (著名写手)
- 应助: 173 (高中生)
- 金币: 1234.8
- 红花: 11
- 帖子: 1108
- 在线: 312.2小时
- 虫号: 233382
- 注册: 2006-03-29
- 性别: GG
- 专业: 金属结构材料
6楼2014-11-19 09:56:33
zbhwel
专家顾问 (知名作家)
-

专家经验: +782 - MM-EPI: 7
- 应助: 1730 (讲师)
- 贵宾: 0.259
- 金币: 23020.1
- 散金: 1738
- 红花: 272
- 沙发: 22
- 帖子: 5201
- 在线: 1050.9小时
- 虫号: 2249580
- 注册: 2013-01-19
- 性别: GG
- 专业: 金属结构材料
- 管辖: 材料工程

7楼2014-11-19 23:50:58
若淡稀墨浓
新虫 (小有名气)
- 应助: 5 (幼儿园)
- 金币: 524.4
- 帖子: 70
- 在线: 33.9小时
- 虫号: 3462764
- 注册: 2014-10-09
- 性别: GG
- 专业: 其他无机非金属材料
8楼2014-11-20 00:02:14
9楼2014-11-20 21:13:09

10楼2014-12-10 18:47:34













回复此楼
40