| 查看: 1471 | 回复: 5 | |
scotte2006金虫 (初入文坛)
|
[求助]
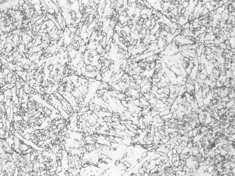
12Cr1MoV焊缝组织为什么存在晶界 已有5人参与
|
|
|
|
zhouzi0888金虫 (小有名气)
|
|
![]() |
|
|
2楼2014-10-01 17:50:54
|
|
starior金虫 (小有名气)
|
|
|
3楼2014-10-01 18:43:40
|
|
INSSWOW木虫 (小有名气)
|
|
|
4楼2014-10-03 23:45:20
|
|
wdlwxyh银虫 (著名写手)
|
|
![]() |
|
|
5楼2014-10-04 09:23:41
|
|
|
6楼2017-06-07 00:28:58
|
|













回复此楼

5