24СʱÈÈÃŰæ¿éÅÅÐаñ    

Znn3bq.jpeg
ÉÇÍ·´óѧº£Ñó¿ÆÑ§½ÓÊܵ÷¼Á
²é¿´: 412  |  »Ø¸´: 1

²½¾ªÔÆup

гæ (³õÈëÎÄ̳)

[ÇóÖú] ·´Ó¦Æ÷¹¤ÒµÓ¦ÓÃ

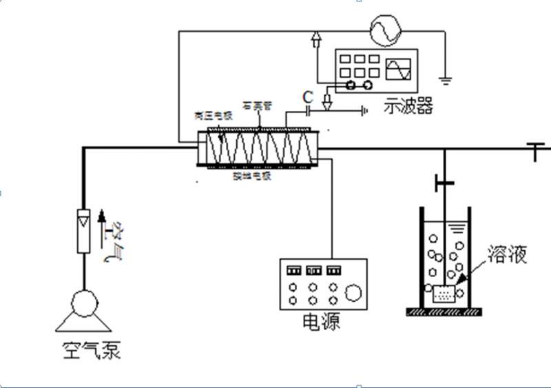
ÈçÏÂͼ£¬½éÖÊ×èµ²·Åµç·´Ó¦Æ÷Ó¦Óõ½Êµ¼Ê¹¤ÒµÖÐȼúµç³§µÄÍÑÁò²úÎïÑÇÁòËá¸ÆµÄÑõ»¯£¬ÐèÒª¿¼ÂÇÄÄЩʵ¼Ê¹¤ÒµÖеÄÓ°ÏìÒòËØ£¡£¡£¡Íò·Ö¸Ð¼¤£¬ÕæµÄÊǺÜûÓÐÍ·Ð÷£¡£¡£¡

·´Ó¦Æ÷¹¤ÒµÓ¦ÓÃ
·´Ó¦×°ÖÃͼ
»Ø¸´´ËÂ¥

» ²ÂÄãϲ»¶

» ±¾Ö÷ÌâÏà¹Ø¼ÛÖµÌùÍÆ¼ö£¬¶ÔÄúͬÑùÓаïÖú:

ÒÑÔÄ   »Ø¸´´ËÂ¥   ¹Ø×¢TA ¸øTA·¢ÏûÏ¢ ËÍTAºì»¨ TAµÄ»ØÌû

davidyxw

гæ (³õÈëÎÄ̳)

ζȣ¬Êª¶È£¬¿ÅÁ£Î·çËÙ

·¢×ÔСľ³æAndroid¿Í»§¶Ë
2Â¥2017-03-22 19:54:02
ÒÑÔÄ   »Ø¸´´ËÂ¥   ¹Ø×¢TA ¸øTA·¢ÏûÏ¢ ËÍTAºì»¨ TAµÄ»ØÌû
Ïà¹Ø°æ¿éÌø×ª ÎÒÒª¶©ÔÄÂ¥Ö÷ ²½¾ªÔÆup µÄÖ÷Ìâ¸üÐÂ
×î¾ßÈËÆøÈÈÌûÍÆ¼ö [²é¿´È«²¿] ×÷Õß »Ø/¿´ ×îºó·¢±í
[¿¼ÑÐ] ÇóÖúµ÷¼Á£¬¿çµ÷ +14 XÊ®¸¦´çY 2026-04-11 15/750 2026-04-14 00:36 by Íõ¬Bè±
[¿¼ÑÐ] Ò»Ö¾Ô¸»ªÄÏÀí¹¤´óѧ331·Ö²ÄÁÏÇóµ÷¼Á +10 ÌìÏÂww 2026-04-09 11/550 2026-04-13 23:25 by pies112
[¿¼ÑÐ] ¸÷λÀÏʦºÃ£¬Çóµ÷¼Á£¬±¾¿Æ211£¬Ò»Ö¾Ô¸Ìì½ò´óѧÉúÎïÓëҽҩѧ˶£¬²îÁ½Ãû¼ȡ¡£ +9 ·ÁùÁùjjj 2026-04-13 9/450 2026-04-13 22:49 by pies112
[¿¼ÑÐ] ²ÄÁÏÏà¹Ø×¨Òµ344Çóµ÷¼ÁË«·Ç¹¤¿ÆÑ§Ð£»ò¿ÎÌâ×é +17 hualkop 2026-04-12 18/900 2026-04-13 22:42 by pies112
[¿¼ÑÐ] 293Çóµ÷¼Á +16 ÎÒ°®¸ßÊý¸ßÊý°®Î 2026-04-12 18/900 2026-04-13 21:47 by ѧԱJpLReM
[¿¼ÑÐ] Ò»Ö¾Ô¸»¦9£¬326ÇóÉúÎïѧµ÷¼Á +9 Áõīī 2026-04-13 9/450 2026-04-13 18:59 by lbsjt
[¿¼ÑÐ] 296Çóµ÷¼Á +14 Íô£¡£¿£¡ 2026-04-10 16/800 2026-04-12 10:48 by zhouyuwinner
[¿¼ÑÐ] 277 ÊýÒ»104£¬Ñ§Ë¶£¬Çóµ÷¼Á +21 Æ¿×ÓPZ 2026-04-09 23/1150 2026-04-11 23:12 by labixiaoqiao
[¿¼ÑÐ] 270Çóµ÷¼Á +14 ÑîÀÖ369 2026-04-11 14/700 2026-04-11 20:16 by À¶ÔÆË¼Óê
[¿¼ÑÐ] 085600²ÄÁÏÓ뻯¹¤329·ÖÇóµ÷¼Á +16 Ò¶zilin 2026-04-10 16/800 2026-04-11 11:04 by may_ÐÂÓî
[¿¼ÑÐ] 22408 352·ÖÇóµ÷¼Á0854Àà +4 ŬÁ¦µÄÏÄÄ© 2026-04-09 4/200 2026-04-11 09:57 by zhq0425
[¿¼ÑÐ] Ò»Ö¾Ô¸211£¬»¯Ñ§Ñ§Ë¶£¬310·Ö£¬±¾¿ÆÖصãË«·Ç£¬Çóµ÷¼Á +27 ŬÁ¦·Ü¶·112 2026-04-07 30/1500 2026-04-10 15:06 by Kilig0317
[¿¼²©] ²©Ê¿×Ô¼ö +7 ¿É¿ÉСÅÖ 2026-04-08 7/350 2026-04-10 08:28 by kimhero
[¿¼ÑÐ] 085601³õÊÔ330·ÖÕÒµ÷¼Á +10 Á÷ÐÄÄ̻ưül 2026-04-09 10/500 2026-04-10 08:14 by Sammy2
[¿¼ÑÐ] 22408 266Çóµ÷¼Á +11 masss11222 2026-04-07 14/700 2026-04-08 11:06 by yulian1987
[¿¼ÑÐ] Çóµ÷¼Á +11 wwwwabcde 2026-04-07 11/550 2026-04-07 23:16 by JourneyLucky
[¿¼ÑÐ] ¼ÆËã»ú11408 287 Çóµ÷¼Á +3 LiLe5 2026-04-07 3/150 2026-04-07 23:15 by shanqishi
[¿¼ÑÐ] ²ÄÁϵ÷¼Á +13 ºº123456 2026-04-07 14/700 2026-04-07 22:53 by À´¿´Á÷ÐÇÓê10
[¿¼ÑÐ] 318Çóµ÷¼Á +5 ÀîÇàɽɽɽ 2026-04-07 5/250 2026-04-07 18:24 by À¶ÔÆË¼Óê
[¿¼ÑÐ] Ò»Ö¾Ô¸Î÷µç085401Çóµ÷¼Á +4 sunw1306 2026-04-07 4/200 2026-04-07 16:40 by à£à£à£0119
ÐÅÏ¢Ìáʾ
ÇëÌî´¦ÀíÒâ¼û