24小时热门版块排行榜    

Znn3bq.jpeg
查看: 380  |  回复: 0

wuyiran1989

新虫 (小有名气)

[交流] TEW谱图有点看不懂,求高手指点

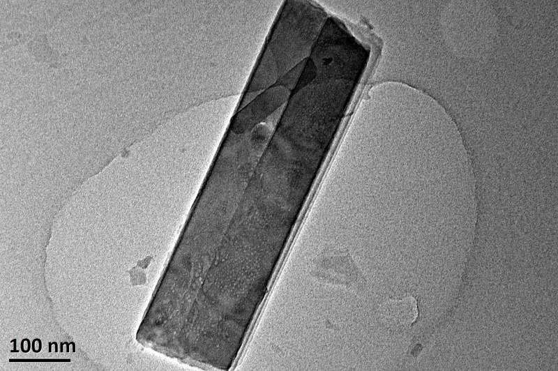
求给位高手指点我的TEM图示单晶还是多晶,第一个图和第二个与是什么意思吖?是高分辨的图吗?还有之后的几个图都是我样品的TEM图

TEW谱图有点看不懂,求高手指点
ZGL-0022.jpg


TEW谱图有点看不懂,求高手指点-1
ZGL-0007.jpg


TEW谱图有点看不懂,求高手指点-2
ZGL-0001.jpg


TEW谱图有点看不懂,求高手指点-3
ZGL-0002.jpg


TEW谱图有点看不懂,求高手指点-4
ZGL-0003.jpg


TEW谱图有点看不懂,求高手指点-5
ZGL-0005.jpg


TEW谱图有点看不懂,求高手指点-6
ZGL-0006.jpg


TEW谱图有点看不懂,求高手指点-7
ZGL-0008.jpg


TEW谱图有点看不懂,求高手指点-8
ZGL-0009.jpg


TEW谱图有点看不懂,求高手指点-9
ZGL-0010.jpg


TEW谱图有点看不懂,求高手指点-10
ZGL-0011.jpg


TEW谱图有点看不懂,求高手指点-11
ZGL-0012.jpg


TEW谱图有点看不懂,求高手指点-12
ZGL-0013.jpg


TEW谱图有点看不懂,求高手指点-13
ZGL-0014.jpg


TEW谱图有点看不懂,求高手指点-14
ZGL-0015.jpg


TEW谱图有点看不懂,求高手指点-15
ZGL-0016.jpg


TEW谱图有点看不懂,求高手指点-16
ZGL-0017.jpg


TEW谱图有点看不懂,求高手指点-17
ZGL-0018.jpg
回复此楼
已阅   回复此楼   关注TA 给TA发消息 送TA红花 TA的回帖

智能机器人

Robot (super robot)

我们都爱小木虫

找到一些相关的精华帖子,希望有用哦~

科研从小木虫开始,人人为我,我为人人
相关版块跳转 我要订阅楼主 wuyiran1989 的主题更新
普通表情 高级回复 (可上传附件)
最具人气热帖推荐 [查看全部] 作者 回/看 最后发表
[基金申请] 重磅!青年科学基金项目(C类)资助增幅预计超过50% +7 水和泥不是水泥 2026-05-13 9/450 2026-05-17 08:28 by soxiaomucong
[考研] 售SCI一区T0P文章,我:8.O.5.5.1.O.5.4,科目齐全,可+急 +4 v9tggjlwd0 2026-05-15 4/200 2026-05-17 08:11 by 11n4dfd8yn
[考博] 售SCI一区T0P文章,我:8.O.5.5.1.O.5.4,科目齐全,可+急 +3 7hlccowb3h 2026-05-15 4/200 2026-05-17 07:46 by 11n4dfd8yn
[考研] 售SCI一区T0P文章,我:8.O.5.5.1.O.5.4,科目齐全,可+急 +4 l7k6xnh0yc 2026-05-14 8/400 2026-05-17 07:26 by 11n4dfd8yn
[考博] 售SCI一区T0P文章,我:8.O.5.5.1.O.5.4,科目齐全,可+急 +6 l7k6xnh0yc 2026-05-14 6/300 2026-05-17 07:11 by 11n4dfd8yn
[找工作] 售SCI一区T0P文章,我:8.O.5.5.1.O.5.4,科目齐全,可+急 +3 k37jurhrau 2026-05-16 3/150 2026-05-17 01:37 by ue3ir18jc3
[博后之家] 售SCI一区T0P文章,我:8.O.5.5.1.O.5.4,科目齐全,可+急 +4 k37jurhrau 2026-05-16 4/200 2026-05-17 01:35 by ue3ir18jc3
[论文投稿] 售SCI一区T0P文章,我:8.O.5.5.1.O.5.4,科目齐全,可+急 +3 k37jurhrau 2026-05-16 3/150 2026-05-17 01:25 by ue3ir18jc3
[基金申请] 精华III评审感受-评审感受-评审感受 +16 ferrarichen 2026-05-11 20/1000 2026-05-17 01:10 by 南开小綦
[考博] 售SCI一区T0P文章,我:8.O.5.5.1.O.5.4,科目齐全,可+急 +3 ky2p12rrjj 2026-05-15 4/200 2026-05-17 00:57 by ue3ir18jc3
[考研] 售SCI一区T0P文章,我:8.O.5.5.1.O.5.4,科目齐全,可+急 +3 ky2p12rrjj 2026-05-15 4/200 2026-05-17 00:50 by ue3ir18jc3
[硕博家园] 售SCI一区T0P文章,我:8.O.5.5.1.O.5.4,科目齐全,可+急 +3 ky2p12rrjj 2026-05-15 3/150 2026-05-17 00:45 by ue3ir18jc3
[公派出国] 售SCI一区T0P文章,我:8.O.5.5.1.O.5.4,科目齐全,可+急 +3 v9tggjlwd0 2026-05-15 4/200 2026-05-17 00:15 by ue3ir18jc3
[基金申请] 售SCI一区T0P文章,我:8.O.5.5.1.O.5.4,科目齐全,可+急 +4 v9tggjlwd0 2026-05-15 4/200 2026-05-17 00:10 by ue3ir18jc3
[找工作] 售SCI一区T0P文章,我:8.O.5.5.1.O.5.4,科目齐全,可+急 +4 l7k6xnh0yc 2026-05-14 4/200 2026-05-16 23:10 by ue3ir18jc3
[基金申请] 请问大佬b0816评完了吗 +4 市民华南虎 2026-05-12 8/400 2026-05-16 19:54 by Equinoxhua
[高分子] 本人最近太闲了,谁有问题可以提,每天会统一回复 +9 一切都是空工 2026-05-12 20/1000 2026-05-16 19:52 by Equinoxhua
[硕博家园] 售SCI一区T0P文章,我:8.O.5.5.1.O.5.4,科目齐全,可+急 +3 k37jurhrau 2026-05-16 3/150 2026-05-16 13:57 by vcdazktkjx
[考博] 2026博士还有哪些学校有名额 +5 小王求读研 2026-05-15 6/300 2026-05-16 10:44 by a4742549
[考博] 西南大学考核制博士 +4 lijunjie84 2026-05-11 7/350 2026-05-15 23:20 by 同仁堂教主
信息提示
请填处理意见