| ²é¿´: 727 | »Ø¸´: 2 | ||
ymm159357Ìú³æ (³õÈëÎÄ̳)
|
[½»Á÷]
ÄÜÁ¿ÊÕ¼¯µç·
|
» ±¾Ö÷ÌâÏà¹Ø¼ÛÖµÌùÍÆ¼ö£¬¶ÔÄúͬÑùÓаïÖú:
ÖпÆÔº±±¾©ÄÉÃ×ÄÜÔ´ËùÖì¹â¿ÎÌâ×éÕÐÆ¸
ÒѾÓÐ26È˻ظ´
µÍÖØÆµ ¸ßÂö³åÄÜÁ¿Nd£ºYAG¹ÌÌ弤¹âÆ÷ ÄÜÁ¿Îȶ¨ÐÔÎÊÌâ
ÒѾÓÐ7È˻ظ´
Energy & Environmental Science ×ÛÊö£ºÑ¹µçºÍÌúµç²ÄÁÏÔÚÄÜÁ¿ÊÕ¼¯·½ÃæµÄÓ¦ÓÃ
ÒѾÓÐ234È˻ظ´
ѹµç²ÄÁÏ-ѹµçÌմɵÄѹµçºÍµçÖÂÉìËõת»»Ê¾ÒâͼÇóÖú, ÄÜÁ¿ÊÕ¼¯¹ý³Ì
ÒѾÓÐ9È˻ظ´
NatureÔÓÖ¾½«¿¯µÇ°Ä¿ÆÑ§¼ÒÖÆÔì³öµÄ¸ßÄÜÁ¿Ãܶȳ¬¼¶µçÈÝÆ÷
ÒѾÓÐ26È˻ظ´
Ôõô²â¼¤¹âÆ÷µÄ¹âÄÜÁ¿·Ö²¼£¿
ÒѾÓÐ9È˻ظ´
µç¼«»îÐÔ²ÄÁϵÄÄÜÁ¿ÃܶȺÍÕû¸ö´¢ÄÜÆ÷¼þÄÜÁ¿ÃܶȵĹØÏµ£¨ÏµÊý£©
ÒѾÓÐ8È˻ظ´
¹ØÓÚCIDÅöײÄÜÁ¿
ÒѾÓÐ14È˻ظ´
ѹµç·¢µçµçÄÜÊÕ¼¯
ÒѾÓÐ7È˻ظ´
³¬¼¶µçÈÝÆ÷´óÅ£Y. GogotsiÔÚAcc. Chem. Res.µÄ×îÐÂ×ÛÊö-ÄÉÃ×̼²ÄÁϵĵçÈÝÄÜÁ¿´æ´¢
ÒѾÓÐ1039È˻ظ´
Çë¶®¼¤¹âÆ÷µÄÅóÓѰïÏÂæ£º¼¤¹âÄÜÁ¿ÃܶÈÊÇÔõôËã³öÀ´µÄ£¿
ÒѾÓÐ18È˻ظ´
³¡·¢ÉäÐÔÖÊ¿ÉÒÔÓÃÔÚÄÄЩ·½ÃæÄØ£¿
ÒѾÓÐ4È˻ظ´
¡¾½»Á÷¡¿Ò»ÖÖ´Ó¾ùÒ»µÄÊÒλ·¾³ÖлñÈ¡ÄÜÁ¿µÄ×°ÖÃ
ÒѾÓÐ17È˻ظ´
¡¾ÇóÖú¡¿µç»¯Ñ§µçÈÝÆ÷µçÈÝÁ¿¡¢¹¦ÂÊÃܶȺÍÄÜÁ¿ÃܶȵļÆËã·½·¨£¿
ÒѾÓÐ29È˻ظ´
¡¾ÇóÖú¡¿³¬¼¶µçÈÝÆ÷ÄÜÁ¿ÃܶȺ͹¦ÂÊÃܶȼÆË㹫ʽ
ÒѾÓÐ6È˻ظ´
ºôÎüºôÎü
ľ³æ (СÓÐÃûÆø)
- Ó¦Öú: 18 (СѧÉú)
- ½ð±Ò: 2457.6
- Ìû×Ó: 249
- ÔÚÏß: 27.8Сʱ
- ³æºÅ: 2787607
- ×¢²á: 2013-11-08
- רҵ: ¼¯³Éµç·Éè¼ÆÓë²âÊÔ
¡ï
Сľ³æ: ½ð±Ò+0.5, ¸ø¸öºì°ü£¬Ð»Ð»»ØÌû
Сľ³æ: ½ð±Ò+0.5, ¸ø¸öºì°ü£¬Ð»Ð»»ØÌû
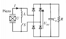
| ¼ÓµçºÉ±Ã¿ÉÒÔÂð£¿ÄÜÁ¿×ª»»µç·ÀïÃæ£¬µÚ¶þ¼¶ÓÐÔ´¶þ¼«¹ÜÒ»°ãÒ²Óüòµ¥µç·¿ØÖÆPMOSµÄµ¼Í¨¹Ø¶Ï£¬ºÍÕâÀïµÄS¿ª¹ØÀàËÆ°É£¬Óóĵ×Çý¶¯ÔË·Å¿ØÖÆ£¬»òÕßÇÅʽÕûÁ÷µç·»»³É±¶Ñ¹ÕûÁ÷µç·£¬Êä³öµçѹÔö¼ÓÁËÔÙ·µ»ØÀ´¿ØÖÆS£¬ÕâÑù¶¼²»ÐèÒªÍâÀ´µçÔ´µçѹ¡£ Ëæ±ãÏëÏ룬²»Ò»¶¨¶Ô£¬µÈ¸ßÈËÀ´½â´ð¡£ |

2Â¥2014-08-21 15:39:11
majiahua520
гæ (СÓÐÃûÆø)
- Ó¦Öú: 0 (Ó×¶ùÔ°)
- ½ð±Ò: 2.3
- Ìû×Ó: 51
- ÔÚÏß: 10.6Сʱ
- ³æºÅ: 3226082
- ×¢²á: 2014-05-22
- רҵ: µçÁ¦µç×Óѧ
3Â¥2015-01-25 20:28:45














»Ø¸´´ËÂ¥