| 查看: 873 | 回复: 4 | ||
[求助]
急求labview中计算SINAD的原理 已有1人参与
|
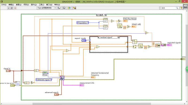
| 急求labview中计算SINAD的原理,如果可以的话,把自己搭建的程序框图上传一下吧~谢谢 |
» 猜你喜欢
AI 太可怕了,写基金时,提出想法,直接生成的文字比自己想得深远,还有科学性
已经有6人回复
有院领导为了换新车,用横向课题经费买了俩车
已经有9人回复
酰胺脱乙酰基
已经有13人回复
博士延得我,科研能力直往上蹿
已经有8人回复
同年申请2项不同项目,第1个项目里不写第2个项目的信息,可以吗
已经有4人回复
有时候真觉得大城市人没有县城人甚至个体户幸福
已经有10人回复
天津大学招2026.09的博士生,欢迎大家推荐交流(博导是本人)
已经有5人回复
遇见不省心的家人很难过
已经有22人回复
2楼2014-07-26 00:03:09
3楼2014-07-26 20:42:05
【答案】应助回帖
★ ★ ★ ★ ★ ★
yuaner111: 金币+6, ★★★很有帮助 2014-12-11 18:02:22
yuaner111: 金币+6, ★★★很有帮助 2014-12-11 18:02:22
4楼2014-07-30 10:30:08
5楼2014-12-11 18:03:55













回复此楼
谢谢