| ²é¿´: 4797 | »Ø¸´: 16 | |||
| µ±Ç°Ö»ÏÔʾÂú×ãÖ¸¶¨Ìõ¼þµÄ»ØÌû£¬µã»÷ÕâÀï²é¿´±¾»°ÌâµÄËùÓлØÌû | |||
462632922½ð³æ (ÕýʽдÊÖ)
СÎâͬѧ
|
[ÇóÖú]
´¿îÑ¿´½ðÏà ÒÑÓÐ8È˲ÎÓë
|
||
¶ÔÎÒÓÐÓÃµÄ |
» ²ÂÄãϲ»¶
Ò»Ö¾Ô¸Î÷±±¹¤Òµ´óѧ289 085602
ÒѾÓÐ27È˻ظ´
281Çóµ÷¼Á
ÒѾÓÐ7È˻ظ´
284Çóµ÷¼Á
ÒѾÓÐ11È˻ظ´
0858Çóµ÷¼Á
ÒѾÓÐ8È˻ظ´
287Çóµ÷¼Á
ÒѾÓÐ21È˻ظ´
Çóµ÷¼Á
ÒѾÓÐ5È˻ظ´
È˹¤ÖÇÄÜ320µ÷¼Á08¹¤À໹Óлú»áÂð
ÒѾÓÐ8È˻ظ´
290Çóµ÷¼Á
ÒѾÓÐ3È˻ظ´
272·Ö²ÄÁÏ×ÓÇóµ÷¼Á
ÒѾÓÐ25È˻ظ´
332Çóµ÷¼Á
ÒѾÓÐ12È˻ظ´

binbinitaly
Ìú¸Ëľ³æ (ÖøÃûдÊÖ)
- Ó¦Öú: 391 (˶ʿ)
- ½ð±Ò: 6153.6
- É¢½ð: 3
- ºì»¨: 38
- Ìû×Ó: 1403
- ÔÚÏß: 237.4Сʱ
- ³æºÅ: 1086877
- ×¢²á: 2010-09-01
- ÐÔ±ð: GG
- רҵ: ½ðÊô²ÄÁϵÄÄ¥ËðÓëĥʴ
¡¾´ð°¸¡¿Ó¦Öú»ØÌû
¡ï ¡ï ¡ï ¡ï ¡ï
¸Ðл²ÎÓ룬ӦÖúÖ¸Êý +1
462632922: ½ð±Ò+5, ¡ï¡ï¡ïºÜÓаïÖú, ÎÒÓõÄŨ¶È±ÈKroll¸ßºÜ¶à£¬¸¯Ê´Ê±¼äÖ»ÓÃÁË5s 2014-07-02 09:05:15
¸Ðл²ÎÓ룬ӦÖúÖ¸Êý +1
462632922: ½ð±Ò+5, ¡ï¡ï¡ïºÜÓаïÖú, ÎÒÓõÄŨ¶È±ÈKroll¸ßºÜ¶à£¬¸¯Ê´Ê±¼äÖ»ÓÃÁË5s 2014-07-02 09:05:15
| ÄãʹÓÃʲôÅ×¹âµÄ£¿¸Ð¾õÄãÕâ¸öûÅ׺ðɣ¬ÎÒ֮ǰ¿ÌÊ´Å׺õĴ¿îÑÓÃKrollÊÔ¼ÁÐèÒª30¶àÃë |

3Â¥2014-07-01 21:55:47
lu8090
гæ (ÕýʽдÊÖ)
ͬѧ
- Ó¦Öú: 17 (СѧÉú)
- ½ð±Ò: 3379.3
- É¢½ð: 1046
- ºì»¨: 3
- Ìû×Ó: 503
- ÔÚÏß: 184.8Сʱ
- ³æºÅ: 1296298
- ×¢²á: 2011-05-15
- ÐÔ±ð: GG
- רҵ: ½ðÊô½á¹¹²ÄÁÏ
¡¾´ð°¸¡¿Ó¦Öú»ØÌû
¡ï ¡ï ¡ï ¡ï ¡ï ¡ï ¡ï ¡ï
¸Ðл²ÎÓ룬ӦÖúÖ¸Êý +1
462632922: ½ð±Ò+8, ¡ï¡ï¡ïºÜÓаïÖú, ºÃµÄ~~»ØÍ·×öһϣ¬Ð»Ð» 2014-07-02 08:54:06
¸Ðл²ÎÓ룬ӦÖúÖ¸Êý +1
462632922: ½ð±Ò+8, ¡ï¡ï¡ïºÜÓаïÖú, ºÃµÄ~~»ØÍ·×öһϣ¬Ð»Ð» 2014-07-02 08:54:06
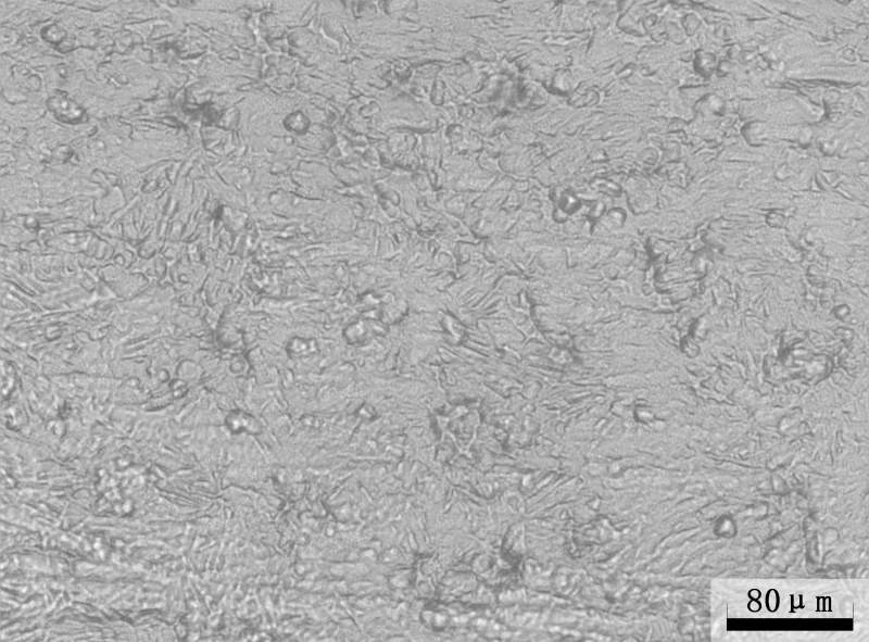
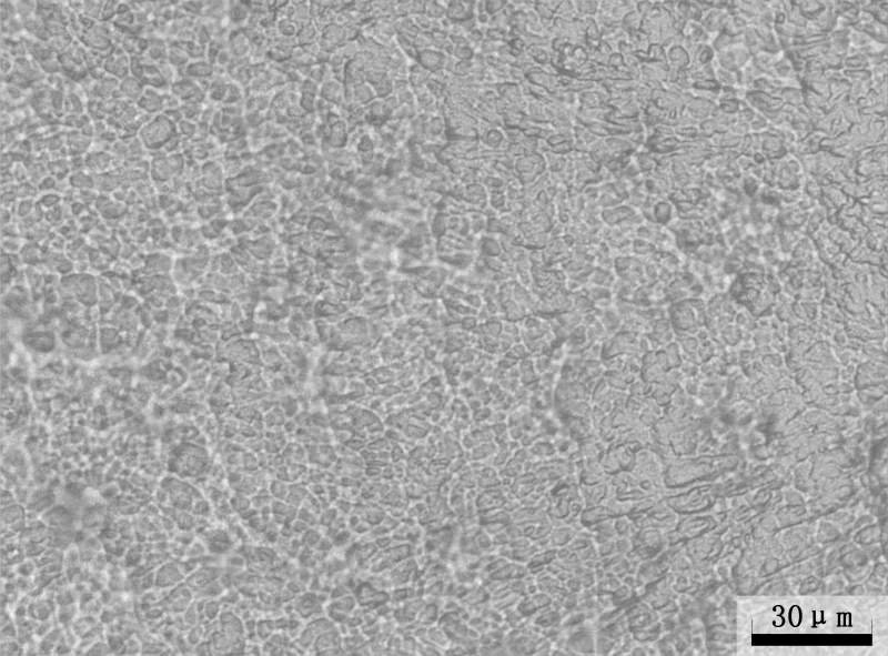
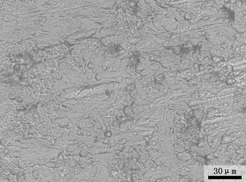
| ¸¯Ê´µÄÌ«ÖØÁË£¬Ò²¾ÍÊǸ¯Ê´ÒºÌ«Å¨ÁË£¬Ö®Ç°ÎÒÓõĸ¯Ê´ÒºÊDzéѯµÄÒ»¸öÃÀ¹ú¸¯Ê´ÊֲᣬHF£ºHNO3:H2O=3ml:37ml:60ml£¬¸¯Ê´5-10S£¬ÓÃÆðÀ´»¹ÐУ¬´¿îѵĽðÏà´ó¸Å¾ÍÊÇÕâÑù£¬µÈÖáµÄ°¢¶û·¨Ï࣬¼«ÉÙÁ¿µÄ±´ËþÏà¡£GJB 3763A-2004 îѼ°îѺϽðÈÈ´¦Àí£¬½¨ÒéÄã¿´¿´Õâ¸ö¹ú¾ü±ê¡£¶ÔÓÚ´¿îѵÄÍ˻𣬴ó¸Å¾ÍÊÇ500-600¶È±£ÎÂ60min°É¡£ |
2Â¥2014-07-01 15:46:21
peterflyer
ľ³æÖ®Íõ (ÎÄѧ̩¶·)
peterflyer
- MM-EPI: 2
- Ó¦Öú: 20282 (Ժʿ)
- ½ð±Ò: 146242
- ºì»¨: 1374
- Ìû×Ó: 93091
- ÔÚÏß: 7694.3Сʱ
- ³æºÅ: 1482829
- ×¢²á: 2011-11-08
- ÐÔ±ð: GG
- רҵ: ¹¦ÄÜÌÕ´É
¡¾´ð°¸¡¿Ó¦Öú»ØÌû
¡ï ¡ï ¡ï ¡ï ¡ï
¸Ðл²ÎÓ룬ӦÖúÖ¸Êý +1
462632922: ½ð±Ò+5, ¡ï¡ï¡ïºÜÓаïÖú, лл~~ÄÇÄã¾õµÃÕâÊǸ¯Ê´¹ýÁËÄØ»¹ÊǸ¯Ê´²»¹»£¿Ó¦¸ÃÔõô¸Ä½øÄØ£¿ 2014-07-02 09:04:09
¸Ðл²ÎÓ룬ӦÖúÖ¸Êý +1
462632922: ½ð±Ò+5, ¡ï¡ï¡ïºÜÓаïÖú, лл~~ÄÇÄã¾õµÃÕâÊǸ¯Ê´¹ýÁËÄØ»¹ÊǸ¯Ê´²»¹»£¿Ó¦¸ÃÔõô¸Ä½øÄØ£¿ 2014-07-02 09:04:09
|
¹Ø¼üÔÚÓÚÂ¥Ö÷ûÓн«¾§½ç¸¯Ê´³öÀ´£¬µ±È»¾Í¿´²»Çå³þ¾§Á£¶ÈÁË¡£¹¤Òµ´¿îѵÄÔٽᾧÍË»ðζÈÔÚ550~650¶È×óÓÒ£¬¸ß´¿îÑÓ¦¸Ã±ÈÕâ¸öÒªµÍһЩ¡£ÍË»ð²ÄÁϵÄÀä¼Ó¹¤Ó²»¯Ò»°ã¾10-20·ÖÖÓÍË»ð¾ÍÄÜÏû³ý¡£ îѵÄÈÈ´¦Àí·½·¨ http://wenku.baidu.com/link?url= ... AXvyzlAb_DB69FhvVne |
4Â¥2014-07-01 22:55:01
peterflyer
ľ³æÖ®Íõ (ÎÄѧ̩¶·)
peterflyer
- MM-EPI: 2
- Ó¦Öú: 20282 (Ժʿ)
- ½ð±Ò: 146242
- ºì»¨: 1374
- Ìû×Ó: 93091
- ÔÚÏß: 7694.3Сʱ
- ³æºÅ: 1482829
- ×¢²á: 2011-11-08
- ÐÔ±ð: GG
- רҵ: ¹¦ÄÜÌÕ´É
5Â¥2014-07-02 16:23:14













»Ø¸´´ËÂ¥