| 查看: 1139 | 回复: 6 | ||
xueye_doudou铜虫 (初入文坛)
|
[求助]
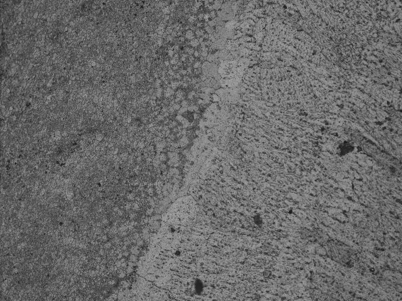
7020铝合金焊接接头出现了这样的金相有些看不懂
|
|
自己做模拟的,想做关于焊接的结果不能看懂,求大家帮帮忙,看看这是什么组织为何同种材料,两个金相相差这么多?两个都是熔合线位置200倍下照的,金相组织一个有晶粒,另一个为何那么白白的一片 P6082426.JPG P6082435.JPG |
» 猜你喜欢
AI 太可怕了,写基金时,提出想法,直接生成的文字比自己想得深远,还有科学性
已经有3人回复
有院领导为了换新车,用横向课题经费买了俩车
已经有9人回复
酰胺脱乙酰基
已经有13人回复
博士延得我,科研能力直往上蹿
已经有8人回复
同年申请2项不同项目,第1个项目里不写第2个项目的信息,可以吗
已经有4人回复
有时候真觉得大城市人没有县城人甚至个体户幸福
已经有10人回复
天津大学招2026.09的博士生,欢迎大家推荐交流(博导是本人)
已经有5人回复
CSC & MSCA 博洛尼亚大学能源材料课题组博士/博士后招生|MSCA经费充足、排名优
已经有6人回复
遇见不省心的家人很难过
已经有22人回复
» 本主题相关商家推荐: (我也要在这里推广)
» 本主题相关价值贴推荐,对您同样有帮助:
纯铜焊接接头的金相制备用什么腐蚀液啊,急啊!!
已经有13人回复
求助镁合金和钢焊接接头金相磨制
已经有8人回复
lsj19880404
新虫 (初入文坛)
- 应助: 1 (幼儿园)
- 金币: 20.7
- 帖子: 9
- 在线: 16.8小时
- 虫号: 2682400
- 注册: 2013-09-26
- 专业: 金属材料的凝固与结晶学
2楼2014-06-30 17:19:18
lsj19880404
新虫 (初入文坛)
- 应助: 1 (幼儿园)
- 金币: 20.7
- 帖子: 9
- 在线: 16.8小时
- 虫号: 2682400
- 注册: 2013-09-26
- 专业: 金属材料的凝固与结晶学
3楼2014-06-30 17:21:27
xueye_doudou
铜虫 (初入文坛)
- 应助: 0 (幼儿园)
- 金币: 68.7
- 散金: 10
- 帖子: 43
- 在线: 49.3小时
- 虫号: 2884079
- 注册: 2013-12-20
- 专业: 金属结构材料
4楼2014-07-01 08:25:31
xueye_doudou
铜虫 (初入文坛)
|
mig |
5楼2014-07-01 08:29:26
lsj19880404
新虫 (初入文坛)
- 应助: 1 (幼儿园)
- 金币: 20.7
- 帖子: 9
- 在线: 16.8小时
- 虫号: 2682400
- 注册: 2013-09-26
- 专业: 金属材料的凝固与结晶学
6楼2014-07-01 15:21:34
xueye_doudou
铜虫 (初入文坛)
- 应助: 0 (幼儿园)
- 金币: 68.7
- 散金: 10
- 帖子: 43
- 在线: 49.3小时
- 虫号: 2884079
- 注册: 2013-12-20
- 专业: 金属结构材料
7楼2014-07-03 10:44:09













回复此楼