| 查看: 1045 | 回复: 3 | ||
[求助]
铜金相腐蚀 已有2人参与
|
|
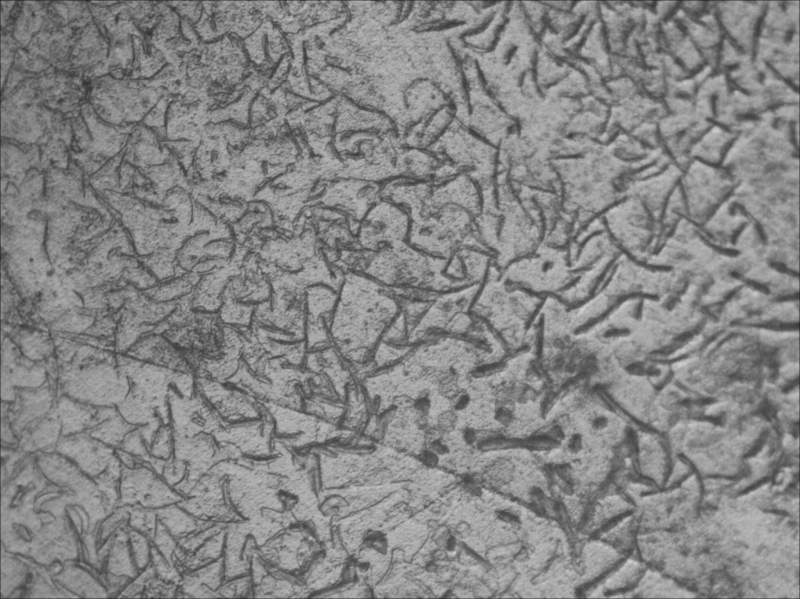
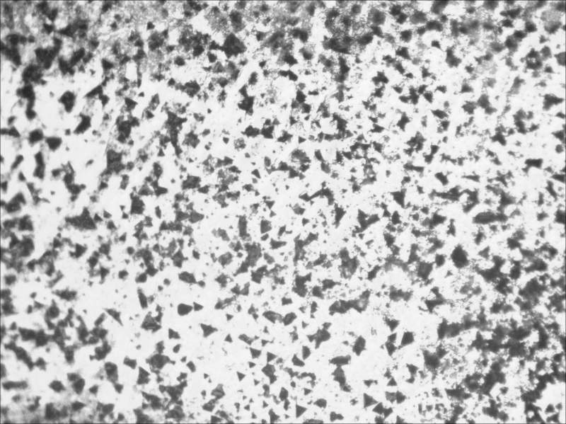
求助各位大侠: 铸态紫铜要怎么样腐蚀,才能拍出晶界? |
» 猜你喜欢
论文投稿
已经有19人回复
280 求调剂
已经有2人回复
机械工程论文润色/翻译怎么收费?
已经有257人回复
08工科电气工程专硕数一英一300求电气工程调剂
已经有0人回复
085400电子信息求调剂
已经有3人回复
华南农业大学工程学院蒋恩臣教授、许细薇教授团队招收化学、生物质领域硕士调剂生
已经有0人回复
310分求调剂
已经有0人回复
(Nuclear) Physics of Nuclear Reactors-Academic(2021)
已经有0人回复
(Nuclear) The fourth generation of nuclear reactors-Springer(2022)
已经有0人回复
Heat Transfer Principles and Applications-Elsevier (2020)
已经有1人回复
271求调剂080800,电赛省一奖
已经有1人回复


2楼2014-06-27 23:06:39
楼主1988
木虫 (正式写手)
- 应助: 13 (小学生)
- 金币: 2192.1
- 散金: 5
- 红花: 19
- 帖子: 458
- 在线: 188.1小时
- 虫号: 2148449
- 注册: 2012-11-26
- 性别: GG
- 专业: 金属材料表面科学与工程
3楼2014-07-09 10:12:19

4楼2014-07-09 15:32:31














回复此楼