| 查看: 216 | 回复: 0 | ||
[求助]
求助一材料力学方面的计算题,麻烦高手速来帮忙,万分感谢,十分火急 !&谢谢!
|
|
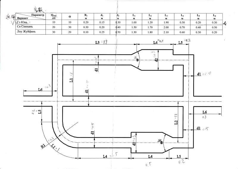
课程任务:复杂的管道水力计算 任务:建立管道系统的水力特性(复线)和该计划的组成部分的水力特性 作为初始的数据集:在管道一个“复杂”的入口流率、液压轨道、所使用的管的粗糙度、以及被泵送的介质的热,所有元素的几何尺寸。 流体:水,H2O (t=20摄氏度) 管道粗糙度:=5*10-5米(10的负5次方) 下面的工作方案提出 IMG_附图表.jpg |
» 猜你喜欢
26申博自荐-电磁屏蔽材料方向
已经有26人回复
请问那家有能成型厚度1.0~2.0mm,长宽>200mm的方块注塑模具
已经有0人回复
冶金与矿业论文润色/翻译怎么收费?
已经有82人回复
0856材料306分调剂
已经有3人回复
26申博-目前4篇SCI一作
已经有4人回复
求助武汉大学孟令芝老师的《有机波谱分析(第五版)》课件资源
已经有0人回复
德国伊尔梅瑙工业大学(TU Ilmenau)柔性电子方向 诚邀CSC申请
已经有0人回复
材料与化工求调剂
已经有14人回复
材料专硕334分求调剂
已经有1人回复
【普渡大学 Purdue University】招聘博士后- 1. AI/DFT/FEA计算 2. 固态电池
已经有0人回复
招收2026年材料与化工专硕调剂,山东省属重点大学,过国家线即可调剂,名额充足
已经有35人回复













回复此楼