| 查看: 275 | 回复: 0 | ||
[求助]
求助一材料力学方面的计算题,麻烦高手速来帮忙,万分感谢,十分火急 !&谢谢!
|
|
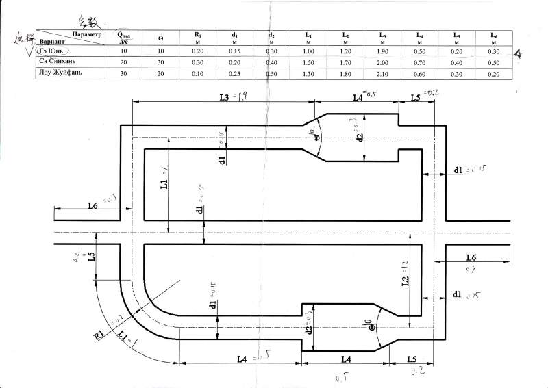
课程任务:复杂的管道水力计算 任务:建立管道系统的水力特性(复线)和该计划的组成部分的水力特性 作为初始的数据集:在管道一个“复杂”的入口流率、液压轨道、所使用的管的粗糙度、以及被泵送的介质的热,所有元素的几何尺寸。 流体:水,H2O (t=20摄氏度) 管道粗糙度:=5*10-5米(10的负5次方) 下面的工作方案提出 IMG_附图表.jpg |
» 猜你喜欢
“人文社科而论,许多学术研究还没有达到民国时期的水平”
已经有6人回复
体制内长辈说体制内绝大部分一辈子在底层,如同你们一样大部分普通教师忙且收入低
已经有16人回复
版面费该交吗
已经有13人回复
面上可以超过30页吧?
已经有6人回复
网上报道青年教师午睡中猝死、熬夜猝死的越来越多,主要哪些原因引起的?
已经有4人回复
为什么中国大学工科教授们水了那么多所谓的顶会顶刊,但还是做不出宇树机器人?
已经有10人回复
什么是人一生最重要的?
已经有4人回复













回复此楼