| 查看: 389 | 回复: 0 | ||
比克小魔木虫 (小有名气)
|
[求助]
太阳能电池串联之后输出问题
|
|
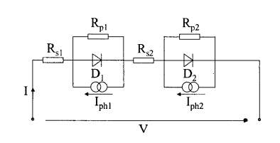
现在算到的两块单独的太阳能电池的输出特性 IV曲线,想得到将他们串联之后的输出特性,求教有什么方法呢? 串联之后的等效电路见附件,可以将其中的电阻都去除的理想状况下,该如何求解呢?请指教 ![]() ![]() 3~[)D5Z[YVA]9OCI0OQUN5G.jpg |
» 猜你喜欢
A期刊撤稿
已经有3人回复
职称评审没过,求安慰
已经有34人回复
垃圾破二本职称评审标准
已经有17人回复
回收溶剂求助
已经有6人回复
投稿Elsevier的Neoplasia杂志,到最后选publishing options时页面空白,不能完成投稿
已经有22人回复
申请26博士
已经有5人回复
EST投稿状态问题
已经有7人回复
毕业后当辅导员了,天天各种学生超烦
已经有4人回复
求助文献
已经有3人回复
投稿返修后收到这样的回复,还有希望吗
已经有8人回复
找到一些相关的精华帖子,希望有用哦~
I-V曲线是用电化学工作站的哪个功能呢?
已经有5人回复
2014年度浙江省自然科学基金拟资助项目清单
已经有14人回复
太阳能电池中的最大输出功率能用电化学工作站测吗?
已经有4人回复
关于电池串并联的能量容量的疑惑?
已经有5人回复
染料敏化太阳能电池,量子点太阳能电池封装技巧(包括串联和并联)
已经有152人回复
聚合物太阳能电池最新进展:效率突破10.6%(日本住友化学)
已经有44人回复
太阳能电池中的串联和并联电阻测试?
已经有6人回复
太阳能电池转换效率超过45%的试金石,夏普在未聚光条件下实现36.9%
已经有20人回复
夏普的化合物三接合型太阳能电池转换效率达到全球最高值36.9%
已经有6人回复
【专题】新一代电池走向全固态——电动车与定置式大尺寸电池的需求推动开发
已经有18人回复
【求助】太阳能电池的串并联问题
已经有9人回复
科研从小木虫开始,人人为我,我为人人














回复此楼
点击这里搜索更多相关资源