| 查看: 1243 | 回复: 10 | ||
[求助]
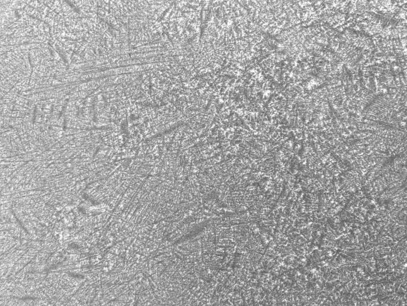
60Si2MnA 卷簧断裂 已有1人参与
|
|
断口的宏观形貌如图,请问这种断口属于什么断口?产生这种断口的原因及机理?从哪些方面入手分析?O(∩_∩)O谢谢!!! IMG_0050.JPG IMG_0053.JPG 50x 9.jpg 100x 13.jpg |
» 猜你喜欢
297求调剂
已经有12人回复
26调剂 086003
已经有3人回复
265求调剂
已经有20人回复
271分求调剂学校
已经有11人回复
320分人工智能调剂
已经有6人回复
求调剂,一志愿南京航空航天大学 ,080500材料科学与工程学硕
已经有8人回复
280求调剂
已经有19人回复
求材料调剂,一志愿郑州大学289分
已经有15人回复
26考研调剂0710 0860
已经有6人回复
282求调剂
已经有22人回复
《草原的风》
至尊木虫 (职业作家)
- 应助: 854 (博后)
- 金币: 17382.3
- 红花: 102
- 帖子: 3287
- 在线: 961.2小时
- 虫号: 2536060
- 注册: 2013-07-07
- 性别: GG
- 专业: 金属结构材料

2楼2014-06-02 13:26:13
《草原的风》
至尊木虫 (职业作家)
- 应助: 854 (博后)
- 金币: 17382.3
- 红花: 102
- 帖子: 3287
- 在线: 961.2小时
- 虫号: 2536060
- 注册: 2013-07-07
- 性别: GG
- 专业: 金属结构材料

3楼2014-06-02 13:27:47
4楼2014-06-02 16:36:26
5楼2014-06-02 16:39:02
6楼2014-06-02 18:11:00
《草原的风》
至尊木虫 (职业作家)
- 应助: 854 (博后)
- 金币: 17382.3
- 红花: 102
- 帖子: 3287
- 在线: 961.2小时
- 虫号: 2536060
- 注册: 2013-07-07
- 性别: GG
- 专业: 金属结构材料

7楼2014-06-02 21:39:05
《草原的风》
至尊木虫 (职业作家)
- 应助: 854 (博后)
- 金币: 17382.3
- 红花: 102
- 帖子: 3287
- 在线: 961.2小时
- 虫号: 2536060
- 注册: 2013-07-07
- 性别: GG
- 专业: 金属结构材料

8楼2014-06-02 21:42:00
9楼2014-06-02 22:08:27
10楼2014-06-02 22:53:14














回复此楼