| 查看: 540 | 回复: 0 | ||
auqfyiugodr新虫 (初入文坛)
|
[求助]
退火+固溶时效对AZ31镁合金的耐蚀性和硬度的影响
|
|
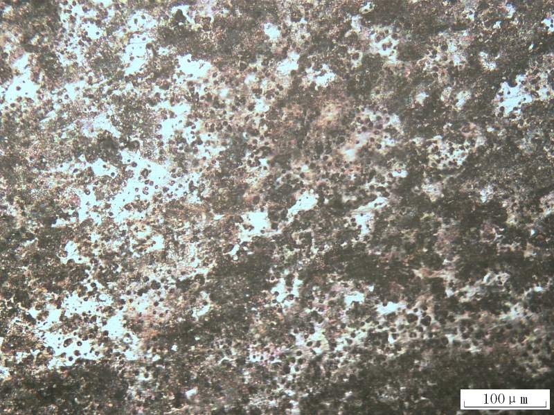
最好能具体点,退火200、260、320、400 保温0.5/2/10h 太多了 能大概解释一下嘛?比如硬度降低了 为什么 升高了又是为什么?还有就是我磨的金相图 没看见晶界 但是哟看别人书上的图也有和我那个差不多的 ........ 新虫 你懂的 多多包涵 固溶440-8-200.JPG |
» 猜你喜欢
《国家自然科学基金资助项目计划书》是不是现在还不能填写?
已经有4人回复
自然基金计划书里这一条意味着什么?
已经有15人回复
电气科学与工程论文润色/翻译怎么收费?
已经有94人回复
自然基金的结题成果是就高不就低吗?
已经有4人回复
请问我这篇论文可以挂刚中的面上项目资助号吗?
已经有8人回复
大家觉得主持一项自然基金面上项目和国家重点研发项目的课题哪个认可度高?
已经有17人回复
冷冻切片求助
已经有0人回复
请问自然基金重点项目是必须针对指南里列的项目申请吗?
已经有0人回复
211大学-(电气、绝缘等方面2026专博招生还有一个名额
已经有2人回复
西南交通大学2026年电气工程学院电气工程博士招生
已经有13人回复
考研复试调剂
已经有0人回复














回复此楼