| 查看: 534 | 回复: 1 | ||
[求助]
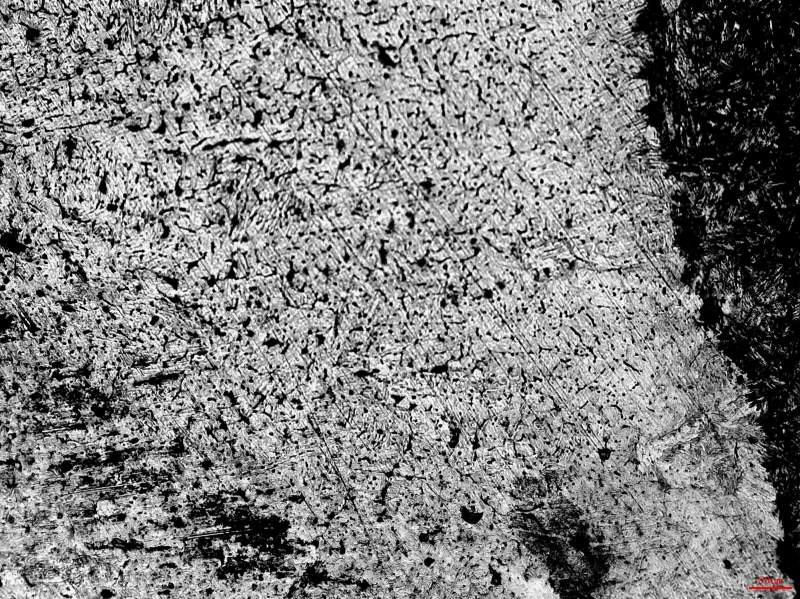
课题:2cr13焊接接头组织求分析
|
||
|
|
||
|
||
|
2楼2014-05-24 15:37:46
|
|













回复此楼