| ²é¿´: 669 | »Ø¸´: 6 | |
wu2009616ľ³æ (СÓÐÃûÆø)
|
[ÇóÖú]
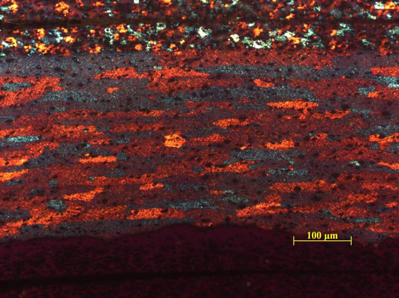
Çë½ÌÏ£ºÈçÏÂÁ½ÖÖ¾§Á£×éÖ¯£¬ÄÄÒ»ÕŵIJÄÁϳåѹÐÔÄܺã¿ÔÒòÊÇ£¿ ÒÑÓÐ6È˲ÎÓë
|
![]() |
|
|
|
|
jxlwj073ľ³æ (ÕýʽдÊÖ)
|
|
|
2Â¥2014-05-12 21:49:51
|
|
peterflyer
|
|
|
3Â¥2014-05-12 23:58:28
|
|
jinjinhuÌú³æ (³õÈëÎÄ̳)
|
|
|
4Â¥2014-09-26 17:34:45
|
|
wl20098836ÖÁ×ðľ³æ (ÎÄ̳¾«Ó¢)
|
|
|
5Â¥2014-09-26 18:08:50
|
|
zgj8613гæ (ÕýʽдÊÖ)
|
|
|
6Â¥2014-09-27 12:45:18
|
|
gmlmikeľ³æ (СÓÐÃûÆø)
|
|
|
7Â¥2014-09-27 21:17:26
|
|














»Ø¸´´ËÂ¥

