| 查看: 685 | 回复: 4 | ||
[求助]
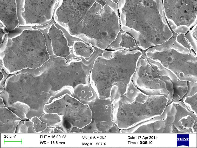
N08825酸洗后的表面情况,麻烦大家来看看什么情况? 已有2人参与
|
大家帮忙看看,酸洗后的表面形貌,这是沿晶界腐蚀的吗?如果不是 那是什么,怎么解释?后做点腐蚀发现表面也是这种情况,这两种表面是一样的吗?楼主认为表面不是沿晶界腐蚀的,但又不知道是什么情况?有哪位虫子对这个有深入研究的,请赐教!![]() ![]() ![]() ![]() 酸洗24h.jpg 点腐蚀.jpg 点腐蚀.jpg 酸洗1.5h.jpg |
» 猜你喜欢
有时候真觉得大城市人没有县城人甚至个体户幸福
已经有7人回复
天津大学招2026.09的博士生,欢迎大家推荐交流(博导是本人)
已经有3人回复
面上项目申报
已经有3人回复
酰胺脱乙酰基
已经有9人回复
CSC & MSCA 博洛尼亚大学能源材料课题组博士/博士后招生|MSCA经费充足、排名优
已经有5人回复
博士延得我,科研能力直往上蹿
已经有7人回复
退学或坚持读
已经有27人回复
面上基金申报没有其他的参与者成吗
已经有5人回复
遇见不省心的家人很难过
已经有22人回复
2楼2014-04-28 21:37:47
peterflyer
木虫之王 (文学泰斗)
peterflyer
- MM-EPI: 2
- 应助: 20282 (院士)
- 金币: 146012
- 红花: 1374
- 帖子: 93091
- 在线: 7694.3小时
- 虫号: 1482829
- 注册: 2011-11-08
- 性别: GG
- 专业: 功能陶瓷
3楼2014-04-29 01:16:02
4楼2014-04-29 10:27:43
![]() ![]() |
5楼2014-04-29 10:29:04














回复此楼
我觉得过腐蚀了,小倍数看看 x50
