| ²é¿´: 1573 | »Ø¸´: 6 | ||
licaiqinͳæ (СÓÐÃûÆø)
|
[½»Á÷]
¼±¼±¼±£ºÇóÖú¸Ã¶ÏÁÑÐÎòͼÓнâÀí¶ÏÁѵÄÌØÕ÷Âð£¿
|
» ±¾Ö÷ÌâÏà¹Ø¼ÛÖµÌùÍÆ¼ö£¬¶ÔÄúͬÑùÓаïÖú:
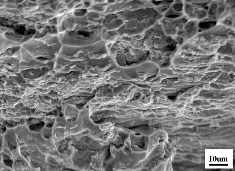
ÇëÎÊ´óÅ£ Õâµç¾µÍ¼ÊôÓÚ×¼½âÀí¶ÏÁÑÃæÂð£¿
ÒѾÓÐ3È˻ظ´
Âé·³´ó¼Ò°ïÎÒ¿´ÏÂÕâ¸ö¶Ï¿ÚÊDz»ÊÇÊôÓÚ×¼½âÀí¶ÏÁÑ
ÒѾÓÐ11È˻ظ´
¡¾ÇóÖú¡¿ÀÉìºóµÄÏËά£¬ÏëÓÃSEM¹Û²ìÆä¶ÏÃæÐÎòÔõôʹÆä¶ÏÁÑ£¬Ð»Ð»ÁË
ÒѾÓÐ15È˻ظ´
peterflyer
ľ³æÖ®Íõ (ÎÄѧ̩¶·)
peterflyer
- MM-EPI: 2
- Ó¦Öú: 20282 (Ժʿ)
- ½ð±Ò: 146220
- ºì»¨: 1374
- Ìû×Ó: 93091
- ÔÚÏß: 7694.3Сʱ
- ³æºÅ: 1482829
- ×¢²á: 2011-11-08
- ÐÔ±ð: GG
- רҵ: ¹¦ÄÜÌÕ´É
2Â¥2014-04-05 23:57:47
mzhyan
ÖÁ×ðľ³æ (ÎÄ̳¾«Ó¢)
- Ó¦Öú: 712 (²©ºó)
- ½ð±Ò: 37461.7
- ºì»¨: 24
- Ìû×Ó: 45756
- ÔÚÏß: 287.3Сʱ
- ³æºÅ: 1191620
- ×¢²á: 2011-01-18
- רҵ: »·¾³ÎÛȾ»¯Ñ§
3Â¥2014-04-06 01:19:11
wangshuozxcv
Ìú¸Ëľ³æ (ÕýʽдÊÖ)
- Ó¦Öú: 4 (Ó×¶ùÔ°)
- ½ð±Ò: 8192.8
- É¢½ð: 20
- ºì»¨: 1
- Ìû×Ó: 607
- ÔÚÏß: 155.7Сʱ
- ³æºÅ: 865652
- ×¢²á: 2009-10-08
- רҵ: ½ðÊô²ÄÁϵÄ΢¹Û½á¹¹
4Â¥2014-04-06 09:00:15
xueyanqingyq
ľ³æ (ÖøÃûдÊÖ)
- Ó¦Öú: 11 (СѧÉú)
- ½ð±Ò: 1590.4
- ºì»¨: 8
- Ìû×Ó: 2072
- ÔÚÏß: 116.2Сʱ
- ³æºÅ: 2994487
- ×¢²á: 2014-02-25
- ÐÔ±ð: GG
- רҵ: ½ðÊô²ÄÁϱíÃæ¿ÆÑ§Ó빤³Ì

5Â¥2014-04-06 10:00:00
|
6Â¥2014-04-06 11:19:16
lucifer007
Ìú¸Ëľ³æ (ÕýʽдÊÖ)
- Ó¦Öú: 40 (СѧÉú)
- ½ð±Ò: 6222.7
- É¢½ð: 18
- ºì»¨: 4
- Ìû×Ó: 373
- ÔÚÏß: 79.8Сʱ
- ³æºÅ: 2581759
- ×¢²á: 2013-08-05
- רҵ: ½ðÊô²ÄÁϵÄÁ¦Ñ§ÐÐΪ
7Â¥2014-04-06 11:47:04














»Ø¸´´ËÂ¥
5