| 查看: 1568 | 回复: 6 | ||
[求助]
请教一下碳纤维复合材料抛光问题
|
|
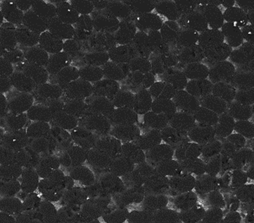
现在做的是长纤维增强金属复合材料,由于制成的复合材料比较薄,在制作金相试样是,在样品的两面用胶粘有铝板,最后抛光时纤维中间是黑色杂质,怎么都弄不掉,很是烦恼,希望大家能指出原因,给个制作这种复合材料的好方法。 电子扫描1 |
» 猜你喜欢
材料专硕334分求调剂
已经有1人回复
【普渡大学 Purdue University】招聘博士后- 1. AI/DFT/FEA计算 2. 固态电池
已经有0人回复
有机高分子材料论文润色/翻译怎么收费?
已经有105人回复
晶圆激光切割保护液
已经有0人回复
招收2026年材料与化工专硕调剂,山东省属重点大学,过国家线即可调剂,名额充足
已经有37人回复
一志愿武汉理工,总分321,英一数二,求老师收留。
已经有13人回复
招收一名工学学硕
已经有0人回复
南京林业大学特聘教授团队招聘博后和2026博士研究生
已经有1人回复
你好各位前辈们,本人在做BODIPY结构的产物遇到一些问题,特来请教一下
已经有12人回复
研究生调剂
已经有0人回复
» 本主题相关商家推荐: (我也要在这里推广)
» 本主题相关价值贴推荐,对您同样有帮助:
请教金属材料力学性能测试方法
已经有7人回复
有没有大神研究纤维增强树脂基层压复合材料啊?
已经有23人回复
测碳材料的吸水性问题
已经有5人回复
碳纤维增强环氧树脂复合材料
已经有15人回复
请教各位,现在碳碳材料中哪个方向的文章好发一些?
已经有12人回复
碳纤维复合材料离子抛光
已经有7人回复
请教如何在碳纤维表面附着保护涂层?
已经有15人回复
有机硅树脂与无机粉末材料的复合问题
已经有10人回复
纤维材料的泊松比
已经有5人回复
如何解决抛光后的铜表面变黑问题
已经有11人回复
大家好,现在做电子封装材料前途如何呢?谢谢啊!
已经有16人回复
一种很像树脂的材料???
已经有8人回复
请教关于多元(三种不同成分以上)复合材料热导率和热膨胀系数的问题
已经有5人回复
【请教】金属抛光、抛光液
已经有8人回复
扫描电镜形貌问题求助?
已经有8人回复
【讨论】请教一个陶瓷抛光做SEM的问题
已经有11人回复
关于东丽碳纤维的型号,请教高手~~
已经有10人回复
【交流】关于聚合物/石墨烯纳米复合材料一些问题的探讨。
已经有14人回复
【求助】请教一个材料力学问题
已经有30人回复
【求助】碳纤维环氧树脂复合材料固化问题请教
已经有17人回复
【讨论】AZ31B镁合金的抛光腐蚀问题
已经有11人回复
【请教】钢铁抛光问题
已经有41人回复
【请教】关于沥青基碳纤维
已经有17人回复

![]() |
2楼2014-03-31 20:49:41

3楼2014-04-25 15:15:00
646510580
铁杆木虫 (知名作家)
- 应助: 0 (幼儿园)
- 金币: 6370.4
- 散金: 260
- 红花: 5
- 帖子: 7890
- 在线: 2159.6小时
- 虫号: 2192039
- 注册: 2012-12-17
- 性别: MM
- 专业: 中药药效物质

4楼2014-04-28 09:03:20

5楼2014-04-29 19:10:08
机智的来一发
金虫 (初入文坛)
和尚
- 应助: 0 (幼儿园)
- 金币: 873.2
- 帖子: 50
- 在线: 56.2小时
- 虫号: 2982436
- 注册: 2014-02-21
- 性别: GG
- 专业: 金属材料的力学行为

6楼2016-04-27 22:39:47
|
本帖内容被屏蔽 |
7楼2021-06-18 08:29:04














回复此楼


10