| 查看: 670 | 回复: 4 | ||
[求助]
求认证 高 *** 强*** 钢*** 焊缝组织 已有1人参与
|
|
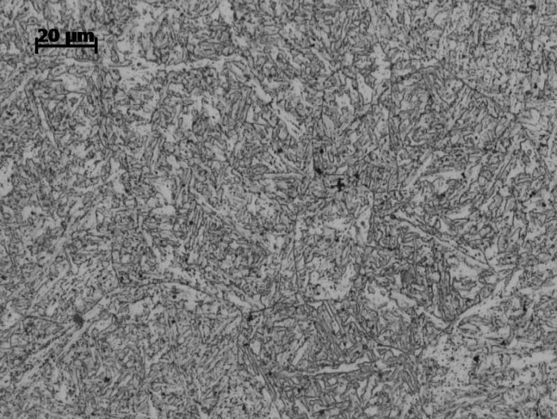
焊 - 接- 高--- 强1 -----钢1--- 的 手***** 电弧焊 c 0.07 mn 1.9; si 0.4 ; ni 2 ; cr 1.5 ; mo 0.5 . hv350 是贝氏体? 马氏体?要具体的 http://d.kankan3d.com/file/data/ ... _1395145077_601.jpg http://d.kankan3d.com/file/data/ ... _1395145207_758.jpg 500-1.jpg 1-1_003.jpg |
» 猜你喜欢
求调剂一志愿海大,0703化学学硕304分,有大创项目,四级已过
已经有9人回复
289材料与化工(085600)B区求调剂
已经有4人回复
一志愿武理材料工程348求调剂
已经有6人回复
08工科 320总分 求调剂
已经有11人回复
一志愿华中农业071010,总分320求调剂
已经有6人回复
323求调剂
已经有5人回复
284求调剂
已经有5人回复
317求调剂
已经有16人回复
287求调剂
已经有9人回复
求调剂
已经有6人回复
» 本主题相关价值贴推荐,对您同样有帮助:
国际焊接工程师证书到底含金量有多大?????
已经有24人回复
焊缝组织,形貌
已经有6人回复


2楼2014-04-21 15:32:20

3楼2014-04-21 16:37:47
4楼2014-04-21 17:52:46
5楼2014-04-21 18:02:52













回复此楼