| 查看: 5855 | 回复: 33 | |||
crossgate2金虫 (小有名气)
|
[交流]
从扫描电镜照片可以区分钛合金的a相与马氏体相a'吗? 已有11人参与
|
||
|
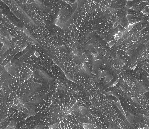
合金是TC4,初始组织是马氏体,图1是800℃ 4h的SEM照片,图2是800℃ 1h的SEM照片。 两张图片中的β相是一致的,但是a相一个表面干净,一个表面有白色颗粒。 根据钛合金的一种分解机制a'→β亚+a' 贫→β亚+α→β+a,有没有可能图片中,前者是a,后者是a'呢? 如果是的话,a' 表面为什么会有白色颗粒呢? 要区分开来用什么表征手段呢? 1.jpg 2.jpg |
» 猜你喜欢
288环境专硕,求调材料方向
已经有39人回复
353求调剂
已经有4人回复
一志愿211电子信息347求调剂
已经有3人回复
323求调剂
已经有4人回复
285求调剂
已经有7人回复
一志愿211,化学学硕,310分,本科重点双非,求调剂
已经有9人回复
22408 266求调剂
已经有4人回复
313求调剂
已经有3人回复
305求调剂
已经有3人回复
求调剂
已经有11人回复
10楼2014-03-10 20:11:12
16楼2014-03-11 00:18:21
adamjn
木虫 (正式写手)
- 应助: 67 (初中生)
- 金币: 1864.3
- 散金: 2000
- 红花: 16
- 帖子: 841
- 在线: 436.4小时
- 虫号: 466600
- 注册: 2007-11-24
- 性别: GG
- 专业: 金属功能材料
2楼2014-03-09 03:57:14
3楼2014-03-09 06:17:01
crossgate2
金虫 (小有名气)
- 应助: 16 (小学生)
- 金币: 1737.2
- 散金: 70
- 红花: 2
- 帖子: 227
- 在线: 157.7小时
- 虫号: 1313877
- 注册: 2011-06-02
- 性别: GG
- 专业: 金属功能材料
4楼2014-03-09 09:06:07
5楼2014-03-09 16:05:14
6楼2014-03-10 15:48:48
zbhwel
专家顾问 (知名作家)
-

专家经验: +782 - MM-EPI: 7
- 应助: 1730 (讲师)
- 贵宾: 0.259
- 金币: 23020.1
- 散金: 1738
- 红花: 272
- 沙发: 22
- 帖子: 5201
- 在线: 1050.9小时
- 虫号: 2249580
- 注册: 2013-01-19
- 性别: GG
- 专业: 金属结构材料
- 管辖: 材料工程

7楼2014-03-10 18:32:05
crossgate2
金虫 (小有名气)
- 应助: 16 (小学生)
- 金币: 1737.2
- 散金: 70
- 红花: 2
- 帖子: 227
- 在线: 157.7小时
- 虫号: 1313877
- 注册: 2011-06-02
- 性别: GG
- 专业: 金属功能材料
8楼2014-03-10 19:05:34
crossgate2
金虫 (小有名气)
- 应助: 16 (小学生)
- 金币: 1737.2
- 散金: 70
- 红花: 2
- 帖子: 227
- 在线: 157.7小时
- 虫号: 1313877
- 注册: 2011-06-02
- 性别: GG
- 专业: 金属功能材料
9楼2014-03-10 19:06:22














回复此楼