| 查看: 4057 | 回复: 11 | |||
309065816木虫 (正式写手)
|
[求助]
电化学阻抗谱分析
|
||
|
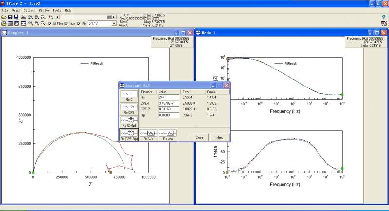
我的实验先是将金属电极在溶液中反应生成一层膜,然后转移到惰性电解质中,开路电位下测试表明膜的电阻,基本呈现一个半圆,也对此进行了相应的拟合,想让大家看看是否合适,对EIS不是很了解,低频跟高频分别对应什么,低频区出现一个回转,表示什么。拟合后的结果见附件,原始zview文件也附上,希望大家帮帮忙 1.jpg |
» 本帖附件资源列表
-
欢迎监督和反馈:小木虫仅提供交流平台,不对该内容负责。
本内容由用户自主发布,如果其内容涉及到知识产权问题,其责任在于用户本人,如对版权有异议,请联系邮箱:xiaomuchong@tal.com - 附件 1 : 5-1.1V
2014-03-06 10:25:09, 4.71 K
» 收录本帖的淘帖专辑推荐
电池相关 |
» 本帖@通知
» 猜你喜欢
湖南大学张世国团队招26年第二批博士—离子液体、高分子与凝胶材料
已经有0人回复
湖南农业大学能源材料创新团队招收2025化学专业研究生(学硕)调剂
已经有0人回复
分析化学论文润色/翻译怎么收费?
已经有86人回复
2026年西华大学材料学院-材料近净成形与表面技术研究团队-招收调剂研究生
已经有8人回复
调剂信息
已经有0人回复
华南理工0703化学,总分336求调剂
已经有1人回复
河北农大生物与医药专业招收调剂,名额充足
已经有0人回复
齐鲁工业大学 国家重点实验室-新能源、锂离子电池、材料、化学方向
已经有0人回复
一志愿前4位代码0703均可报名-河北大学分析化学专业招收调剂考生
已经有25人回复
★★爆★★0860生物与医药调剂考生看过来,河北大学化学与材料科学学院
已经有39人回复
杰青/长江团队招收调剂
已经有0人回复
» 本主题相关价值贴推荐,对您同样有帮助:
电化学阻抗谱搭建等效电路然后看什么?
已经有5人回复
电化学阻抗谱测试
已经有22人回复
电化学阻抗谱中的Nyquist图与Bode图理论上要一致,具体指什么一致呢?
已经有15人回复
阻抗谱图和极化曲线
已经有7人回复
电化学阻抗谱解析理论
已经有9人回复
阻抗谱图中的几个时间常数是指什么
已经有15人回复
电化学交流阻抗谱
已经有10人回复
电化学阻抗谱基本知识~
已经有1435人回复
半导体电化学阻抗图谱分析
已经有25人回复
电化学阻抗谱和交流阻抗谱的区别
已经有22人回复
关于电化学阻抗~
已经有12人回复
电化学阻抗谱中常相位角元件中的n代表什么意思,应该如何讨论
已经有12人回复
【求助】电化学阻抗谱低频感抗弧不是半圆趋势 该怎样拟合
已经有22人回复
【求助】请教阻抗谱图分析
已经有7人回复
【求助】交流阻抗谱图分析
已经有8人回复
【求助】请教高手有关电化学阻抗谱问题-金币酬谢
已经有17人回复
【求助】请教交流阻抗图谱分析
已经有7人回复
【求助】交流阻抗谱分析
已经有25人回复
李加伟
荣誉版主 (文坛精英)
不过凡人
- 应助: 258 (大学生)
- 贵宾: 1.257
- 金币: 24678.4
- 散金: 8829
- 红花: 146
- 沙发: 13
- 帖子: 12823
- 在线: 3507.4小时
- 虫号: 2359263
- 注册: 2013-03-19
- 性别: GG
- 专业: 可再生与替代能源利用中的
- 管辖: 论文道贺祈福

2楼2014-03-06 10:49:47
309065816
木虫 (正式写手)
- 应助: 2 (幼儿园)
- 金币: 2494.2
- 散金: 180
- 红花: 3
- 帖子: 516
- 在线: 142.3小时
- 虫号: 1227451
- 注册: 2011-03-09
- 性别: MM
- 专业: 电化学
3楼2014-03-06 11:14:15
309065816
木虫 (正式写手)
- 应助: 2 (幼儿园)
- 金币: 2494.2
- 散金: 180
- 红花: 3
- 帖子: 516
- 在线: 142.3小时
- 虫号: 1227451
- 注册: 2011-03-09
- 性别: MM
- 专业: 电化学
4楼2014-03-08 21:19:23
李加伟
荣誉版主 (文坛精英)
不过凡人
- 应助: 258 (大学生)
- 贵宾: 1.257
- 金币: 24678.4
- 散金: 8829
- 红花: 146
- 沙发: 13
- 帖子: 12823
- 在线: 3507.4小时
- 虫号: 2359263
- 注册: 2013-03-19
- 性别: GG
- 专业: 可再生与替代能源利用中的
- 管辖: 论文道贺祈福

6楼2014-03-09 13:58:21
李加伟
荣誉版主 (文坛精英)
不过凡人
- 应助: 258 (大学生)
- 贵宾: 1.257
- 金币: 24678.4
- 散金: 8829
- 红花: 146
- 沙发: 13
- 帖子: 12823
- 在线: 3507.4小时
- 虫号: 2359263
- 注册: 2013-03-19
- 性别: GG
- 专业: 可再生与替代能源利用中的
- 管辖: 论文道贺祈福

10楼2014-03-10 21:13:58
309065816
木虫 (正式写手)
- 应助: 2 (幼儿园)
- 金币: 2494.2
- 散金: 180
- 红花: 3
- 帖子: 516
- 在线: 142.3小时
- 虫号: 1227451
- 注册: 2011-03-09
- 性别: MM
- 专业: 电化学
5楼2014-03-08 21:19:55
309065816
木虫 (正式写手)
- 应助: 2 (幼儿园)
- 金币: 2494.2
- 散金: 180
- 红花: 3
- 帖子: 516
- 在线: 142.3小时
- 虫号: 1227451
- 注册: 2011-03-09
- 性别: MM
- 专业: 电化学
7楼2014-03-09 15:00:38
李加伟
荣誉版主 (文坛精英)
不过凡人
- 应助: 258 (大学生)
- 贵宾: 1.257
- 金币: 24678.4
- 散金: 8829
- 红花: 146
- 沙发: 13
- 帖子: 12823
- 在线: 3507.4小时
- 虫号: 2359263
- 注册: 2013-03-19
- 性别: GG
- 专业: 可再生与替代能源利用中的
- 管辖: 论文道贺祈福

8楼2014-03-09 15:24:53
309065816
木虫 (正式写手)
- 应助: 2 (幼儿园)
- 金币: 2494.2
- 散金: 180
- 红花: 3
- 帖子: 516
- 在线: 142.3小时
- 虫号: 1227451
- 注册: 2011-03-09
- 性别: MM
- 专业: 电化学
9楼2014-03-10 21:06:19














回复此楼
5